EasyManua.ls Logo

Robinson R66 - Page 753

Robinson R66
950 pages
Print Icon
To Next Page IconTo Next Page
To Next Page IconTo Next Page
To Previous Page IconTo Previous Page
To Previous Page IconTo Previous Page
Loading...
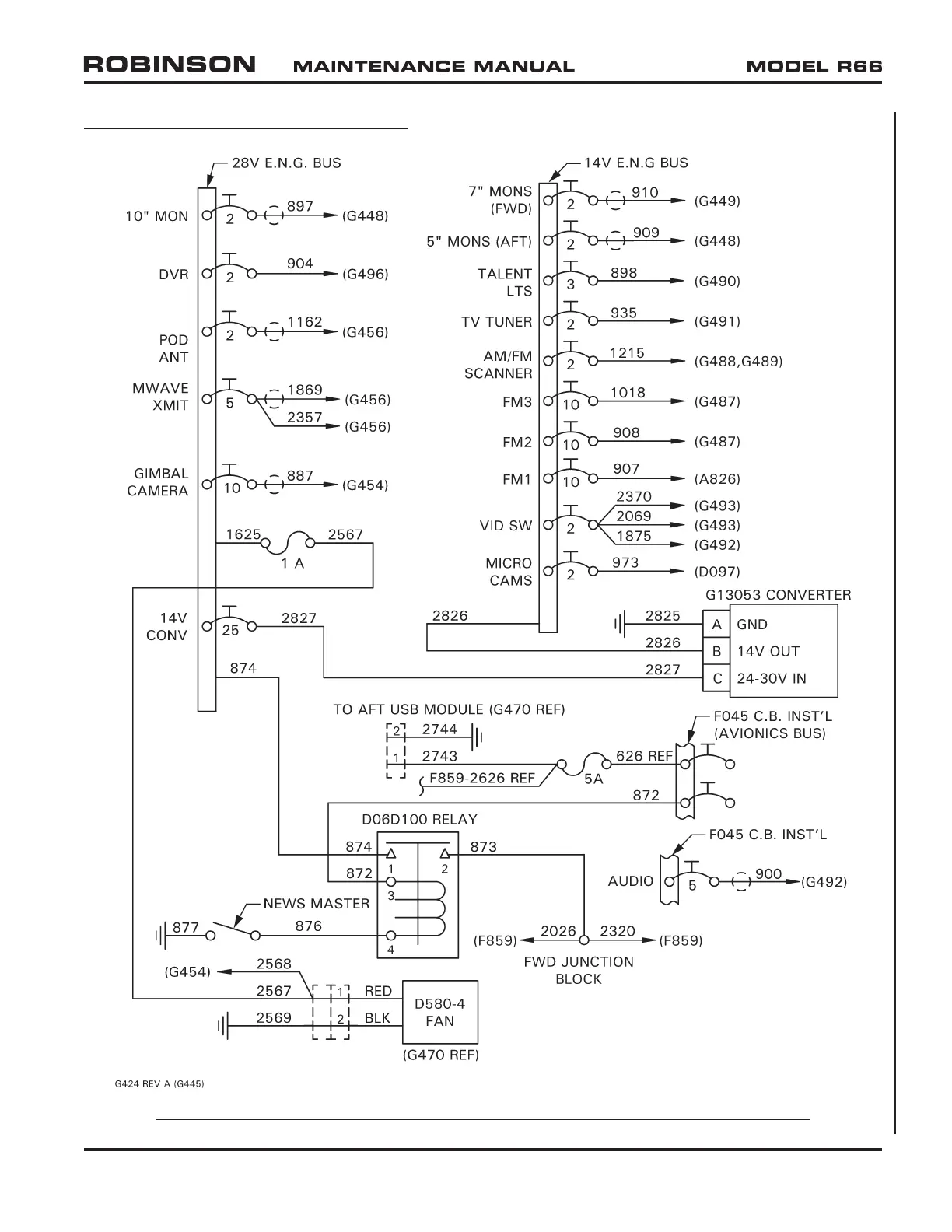
92-290 Wiring Diagrams (continued)
FIGURE 92-5 G445-2 AUX CIRCUIT BREAKER PANEL INSTALLATION WIRING DIAGRAM
JUL 2020 Chapter 92 ENG Version Page 92.53

Table of Contents