EasyManua.ls Logo

Robinsons R66 - Page 300

Robinsons R66
654 pages
Print Icon
To Next Page IconTo Next Page
To Next Page IconTo Next Page
To Previous Page IconTo Previous Page
To Previous Page IconTo Previous Page
Loading...
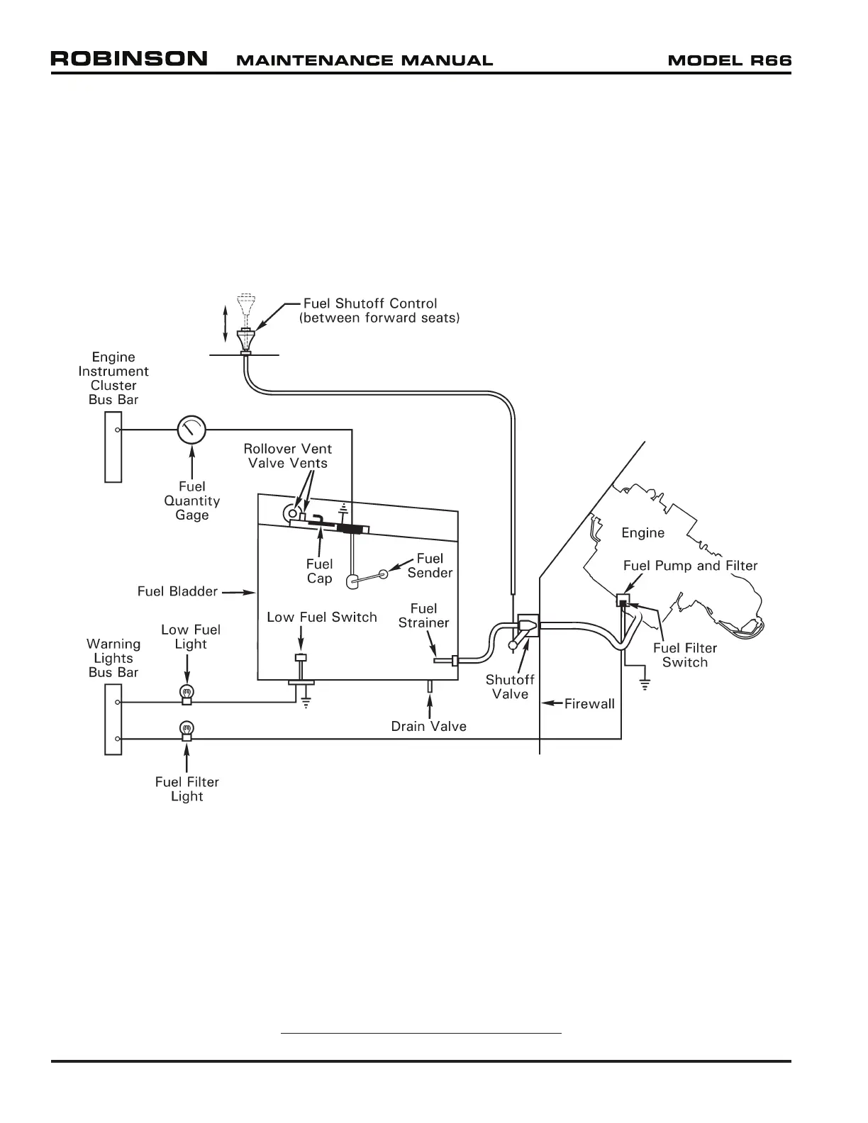
Page 28.4 Chapter 28 Fuel System R66 Maintenance Manual 25 OCT 2010
FIGURE 28-3 FUEL SYSTEM SCHEMATIC

Table of Contents