EasyManua.ls Logo

Robinsons R66 - 98-6 Dual Audio Control Installation

Robinsons R66
654 pages
Print Icon
To Next Page IconTo Next Page
To Next Page IconTo Next Page
To Previous Page IconTo Previous Page
To Previous Page IconTo Previous Page
Loading...
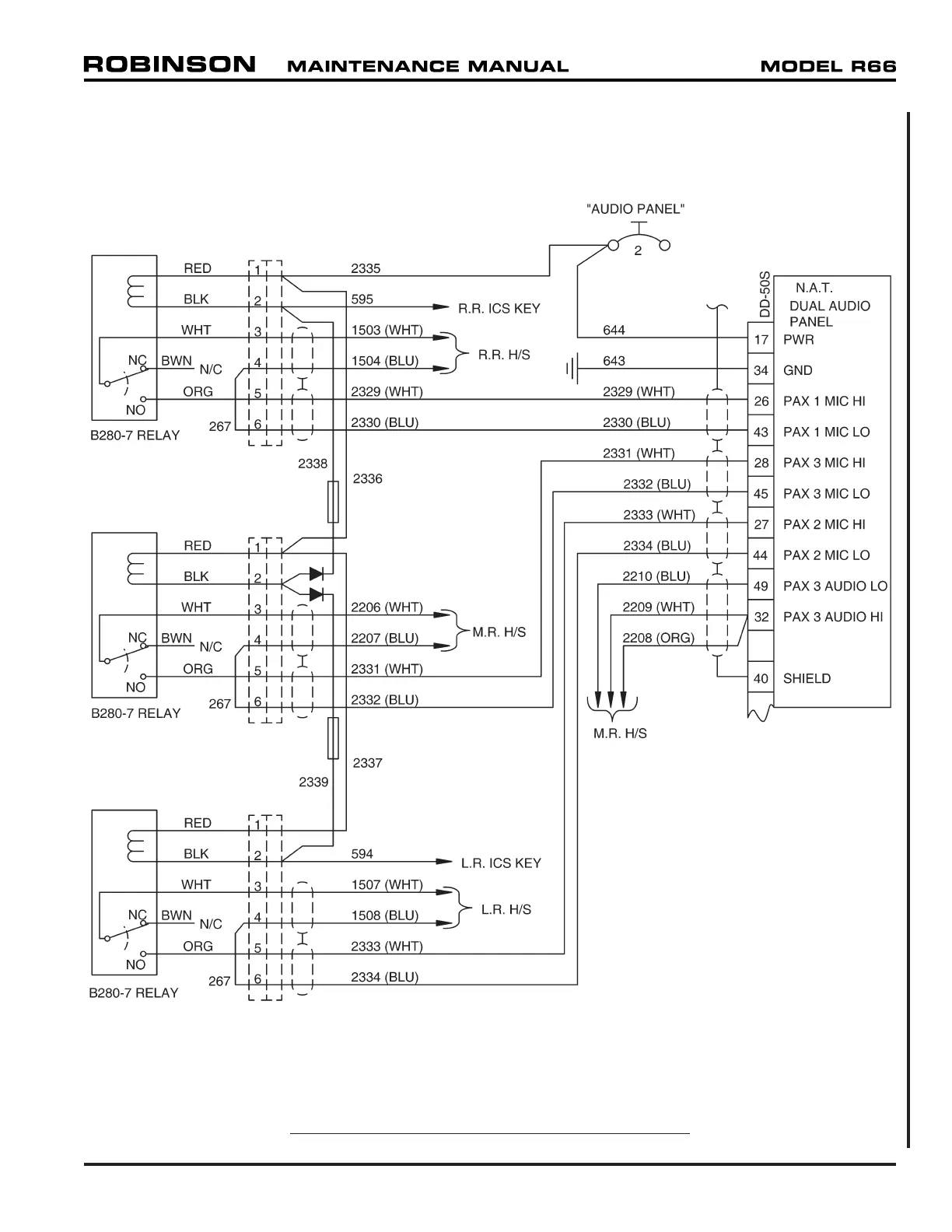
FIGURE 98-6 DUAL AUDIO CONTROL INSTALLATION
SEP 2012 R66 Maintenance Manual Chapter 98 Wiring Diagrams Page 98.9

Table of Contents