EasyManua.ls Logo

Robinsons R66 - Page 314

Robinsons R66
654 pages
Print Icon
To Next Page IconTo Next Page
To Next Page IconTo Next Page
To Previous Page IconTo Previous Page
To Previous Page IconTo Previous Page
Loading...
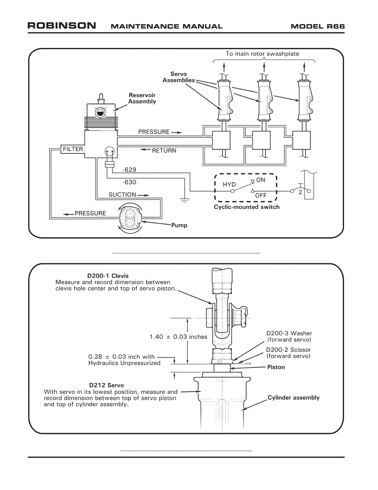
Page 29.4 Chapter 29 Hydraulics MAY 2015
FIGURE 67-3B HYDRAULIC SERVO RIGGING
FIGURE 67-3A HYDRAULIC SYSTEM SCHEMATIC

Table of Contents