EasyManua.ls Logo

Robinsons R66 - 98-11 Garmin GRS 77 H AHRS Installation

Robinsons R66
654 pages
Print Icon
To Next Page IconTo Next Page
To Next Page IconTo Next Page
To Previous Page IconTo Previous Page
To Previous Page IconTo Previous Page
Loading...
MAY 2015 Chapter 98 Wiring Diagrams Page 98.19
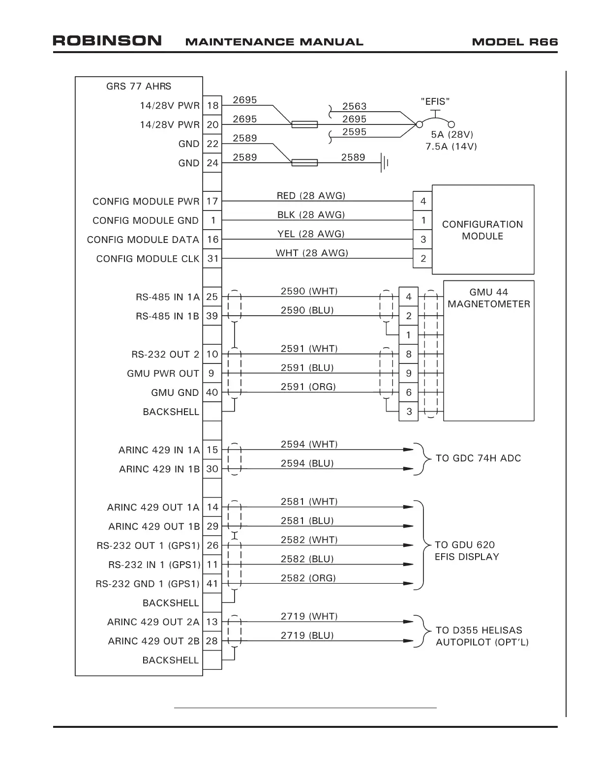
FIGURE 98-11 GARMIN GRS 77H AHRS INSTALLATION

Table of Contents