EasyManua.ls Logo

ROBOTIQ SD-100 - Page 8

ROBOTIQ SD-100
95 pages
Print Icon
To Next Page IconTo Next Page
To Next Page IconTo Next Page
To Previous Page IconTo Previous Page
To Previous Page IconTo Previous Page
Loading...
Robotiq Screwdriving Solution - Instruction Manual
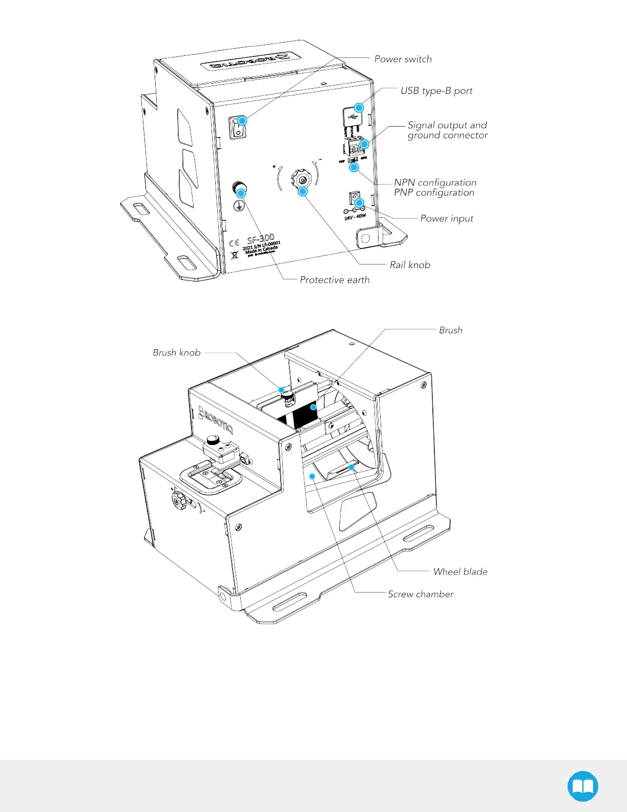
Fig. 1-3: Screw Feeder Nomenclature (Back)
Fig. 1-4: Screw Feeder Nomenclature (Internal Components)
Please refer to the Scope of Deliverysection and Spare Parts, Kitsand Accessoriessection for details on standard and optional
parts.
8

Related product manuals