EasyManua.ls Logo

Sabio 2010D - Photometer, Flow Check; Adjustment

Sabio 2010D
182 pages
Print Icon
To Next Page IconTo Next Page
To Next Page IconTo Next Page
To Previous Page IconTo Previous Page
To Previous Page IconTo Previous Page
Loading...
Internal UV Ozone Photometer Page 9-
26
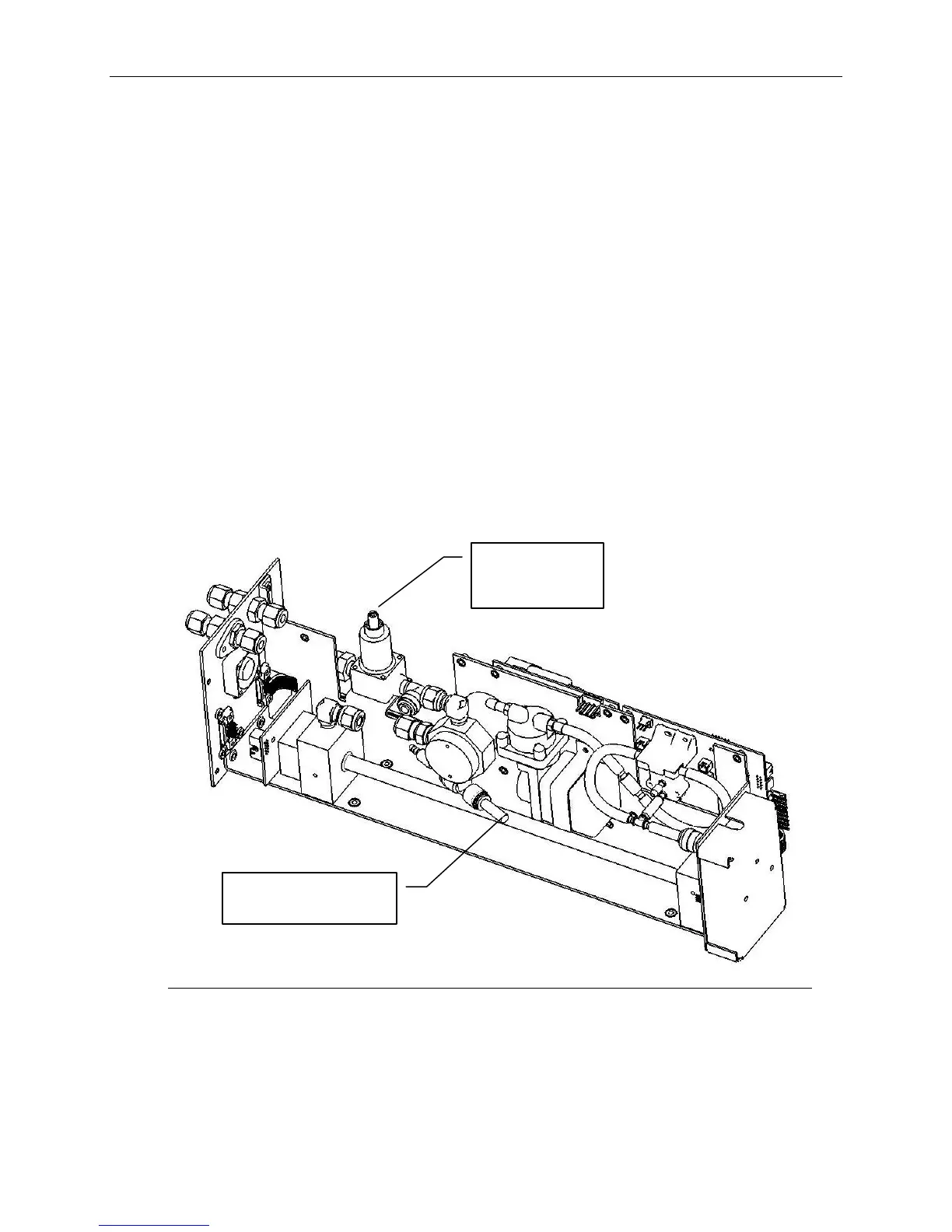
[3] Connect a flow standard to the output of the regulator.
The flow standard must be capable of reading at least 1.4
Liters or 1400 SCCM. Refer to Figure 9-10 for details.
[4] Apply 35 PSI of zero air to the port labeled “AIR IN” on
the rear panel of the photometer.
[5] The flow standard should be reading 1.4 L or 1400 SCCM
after the zero air is applied.
[6] If the flow is reading high or low, then the pressure
regulator will need to be adjusted. Adjustments can be
made by rotating the screw located on the top of the
regulator. Allow enough time for the flow standard to
stabilize before re-adjusting.
[7] Replace all connections and place the cover back on the
calibrator.
Figure 9-12 Photometer, Flow Check/Adjustment
Adjust
Regulator
Connect Flow
Meter Here

Table of Contents

Other manuals for Sabio 2010D