EasyManua.ls Logo

Schleich GLP2-i/e - Leakage Current Test

Schleich GLP2-i/e
81 pages
Print Icon
To Next Page IconTo Next Page
To Next Page IconTo Next Page
To Previous Page IconTo Previous Page
To Previous Page IconTo Previous Page
Loading...
Safety and Functional Tester GLP2-i/e
During the test, test object and test leads must not be touched!
The safety measures required by law must be adhered to!
Schleich GmbH * D-58675 Hemer * 0049 / (0)2372 / 9498-0 * 0049 / (0)2372 / 9498-99 *
http://www.schleich.com * info@schleich.com 9
1.2.5 Leakage current test
Leakage current: max. 30mA
Resolution: 0.01mA
Accuracy: 0.2% of measuring range
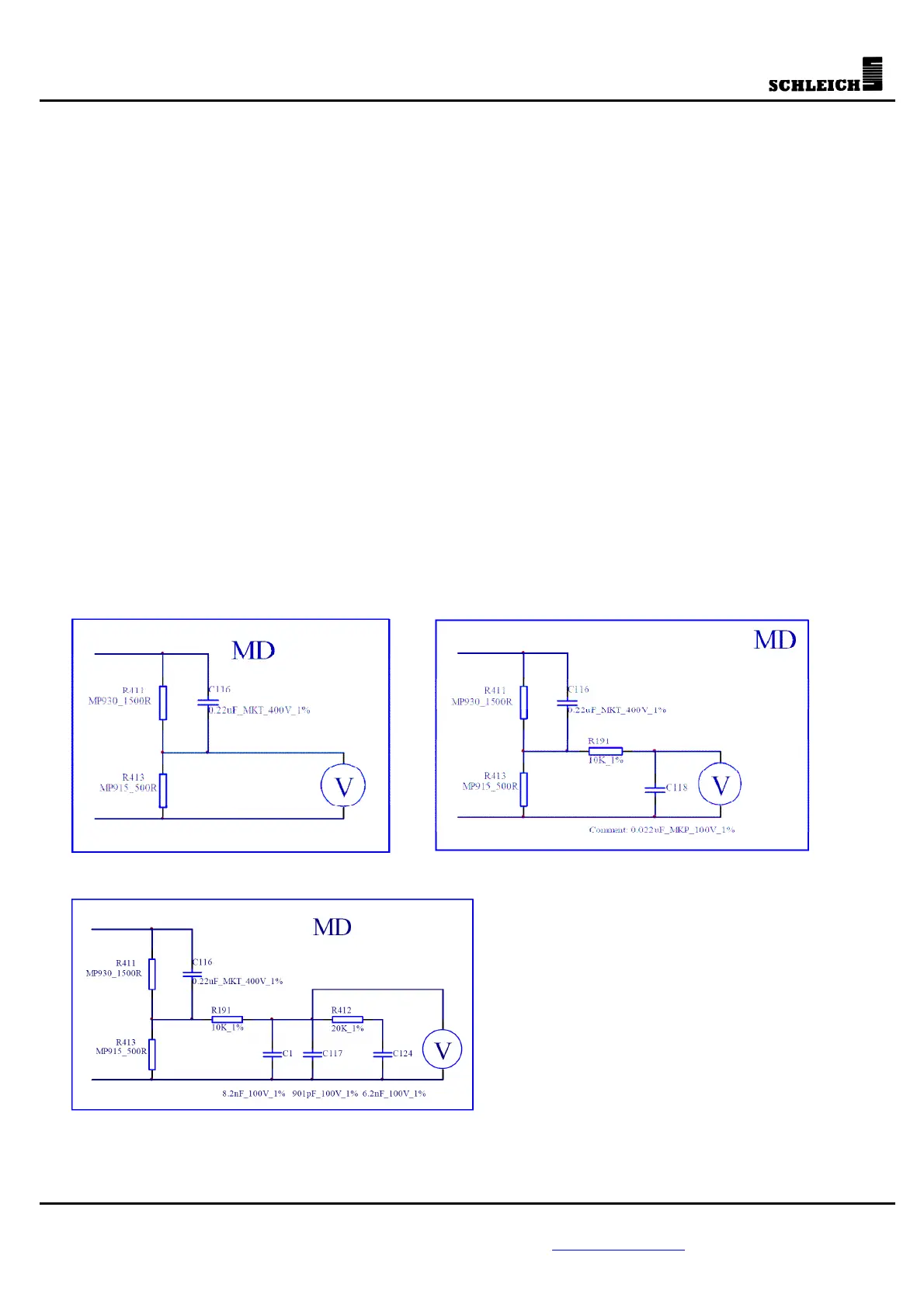
Testing according to EN60990 requires 3 measuring circuits for the evaluation.
1: unweighted leakage current (EN60990 (5) Measuring Equipment Fig.3)
2: weighted according to perception and reaction (EN60990 (5) Measuring Equipment Fig.4)
3: weighted after release (EN60990 (5) Measuring Equipment Fig.5)
Touch-current frequency: max. 500Hz
Evaluation: r.m.s value (unweighted) or peak value
Warm-up time: 0 seconds ... 24 hours
Max. current at "warm leakage current test": like function test
IMPORTANT
In case the test object needs more than 5A, it is necessary to order the increased current additionally.
TESTING STANDARDS
EN60990 / VDE 0106
EN60335-1 / VDE 0700-1 Measuring at household devices
EN60950 / VDE 0805 Measuring at office devices (communication devices)
EN60598-1 / VDE 0711-1 Measuring at lamp
EN60990 (5) Measuring Equipment Fig.3
EN60990 (5) Measuring Equipment Fig.4
EN60990 (
5) Measuring Equipment Fig.5

Table of Contents