EasyManua.ls Logo

Sharp el-9950 - Special Matrix Operations; Calculations Using OPE Menus

Sharp el-9950
266 pages
Print Icon
To Next Page IconTo Next Page
To Next Page IconTo Next Page
To Previous Page IconTo Previous Page
To Previous Page IconTo Previous Page
Loading...
126
Chapter 6: Matrix Features
Forthecalculationoftheinverseofamatrix,pleaseproceedasfor
the reciprocal of a real number.
Example
1. Press
#
C
.
2. Press
@
m
A
1
@
x
E
.
Inverse of Matrix
4. Special Matrix Operations
This calculator has three Matrix calculation menus: OPE, MATH and [ ].
Examples of each calculation are as follows:
Calculations using OPE menus
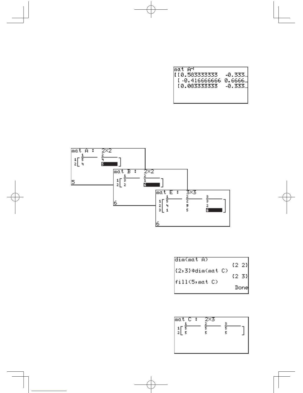
01 dim( dim(matrix name)
Returnsthedimensionsofthespeciedmatrix.
Example
• CheckthedimensionsofmatA.
• Newlydeneorchangethe
dimensions to 2
×
3 for
MatC.
02 fill( fill(value, matrix name)
Fillseachelementwithaspeciedvalue.
Example
• Enterthevalue5intoallthe
emptyelementsofmatrixC.

Table of Contents

Other manuals for Sharp el-9950

Related product manuals