EasyManua.ls Logo

Siemens 3UG4 - Wiring Examples

Siemens 3UG4
410 pages
Print Icon
To Next Page IconTo Next Page
To Next Page IconTo Next Page
To Previous Page IconTo Previous Page
To Previous Page IconTo Previous Page
Loading...
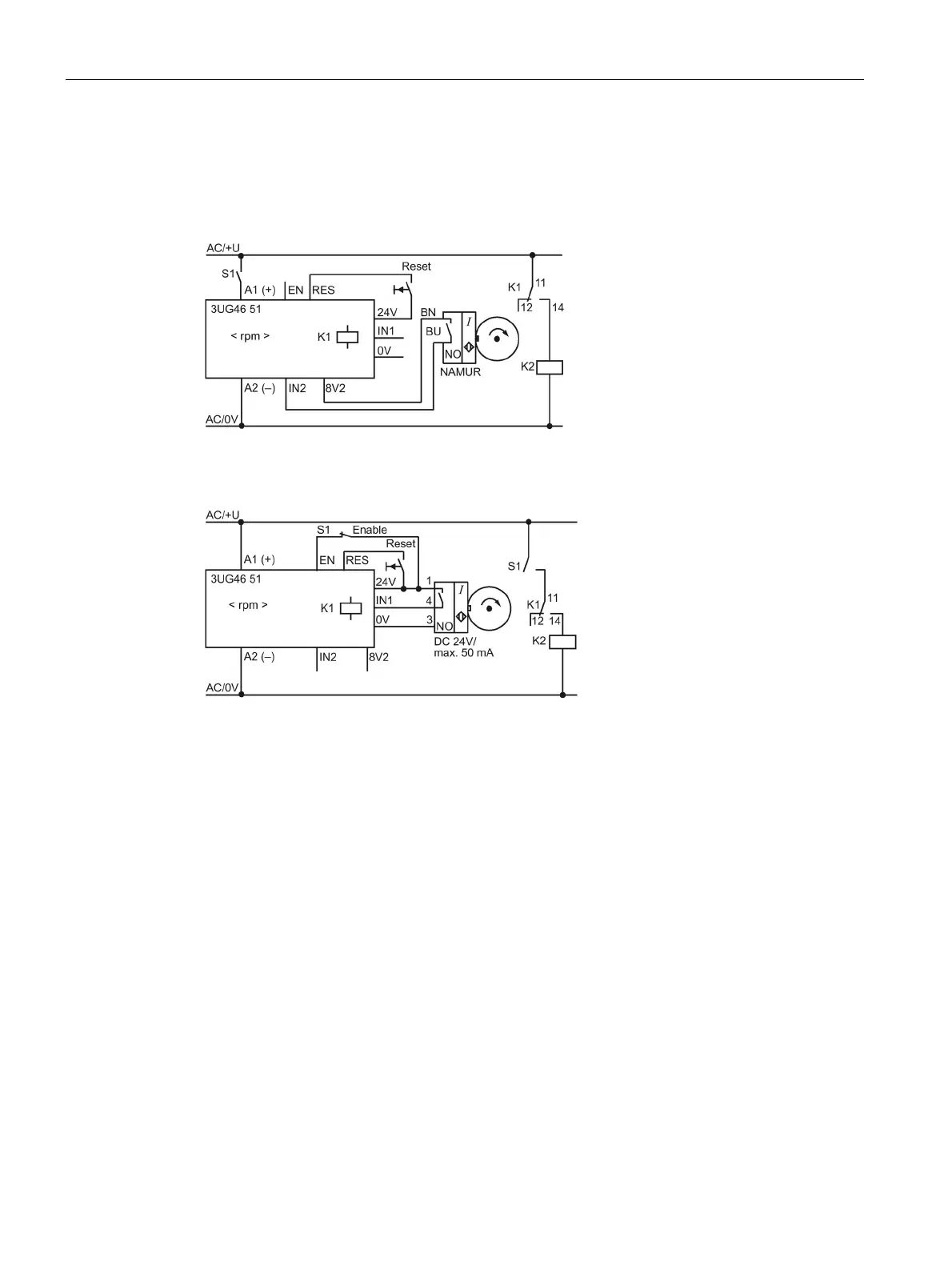
3UG4651 speed monitoring relay
12.6 Circuit diagrams
3UG4 / 3RR2 monitoring relays
316 Manual, 05/2016, NEB927043002000/RS-AC/004
12.6.2
Wiring examples
Speed monitoring relays without Enable input
Speed monitoring relays with Enable input

Table of Contents

Related product manuals