EasyManua.ls Logo

Siemens CIM - Wall-Mounting

Siemens CIM
125 pages
Print Icon
To Next Page IconTo Next Page
To Next Page IconTo Next Page
To Previous Page IconTo Previous Page
To Previous Page IconTo Previous Page
Loading...
Mounting and connecting the device
4.1 Mounting the device
CIM
Operating Manual, 11/2022, A5E51250518-AC
27
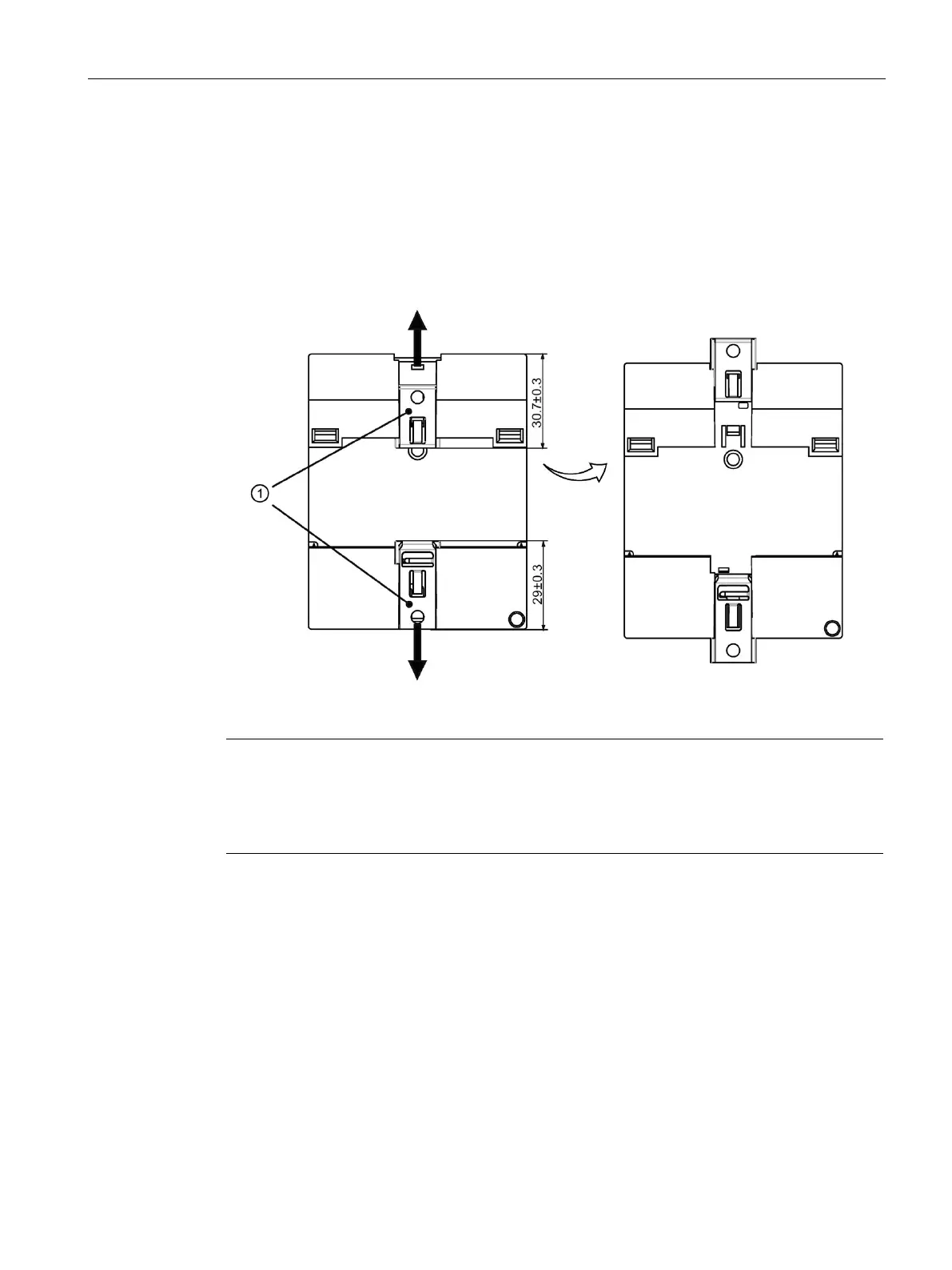
4.1.3 Wall-mounting
Wall-mounting
To mount the CIM on a wall, follow the steps below:
1. Using a screwdriver, pull the two mounting slides on the rear of the device towards the
outside.
2. Feed the screws through the openings in the catches and secure the device to the wall.
Note
When you do not wall
-mount CIM, always keep the mounting slides in the factory default
positions, that i
s, within the data area given in the illustration above; otherwise, the
mounting slides may deform if they are exposed to hot and humid surroundings for a long
term.

Table of Contents

Related product manuals