EasyManua.ls Logo

Siemens SIMOTICS T-1FW3 - Page 334

Siemens SIMOTICS T-1FW3
354 pages
Print Icon
To Next Page IconTo Next Page
To Next Page IconTo Next Page
To Previous Page IconTo Previous Page
To Previous Page IconTo Previous Page
Loading...
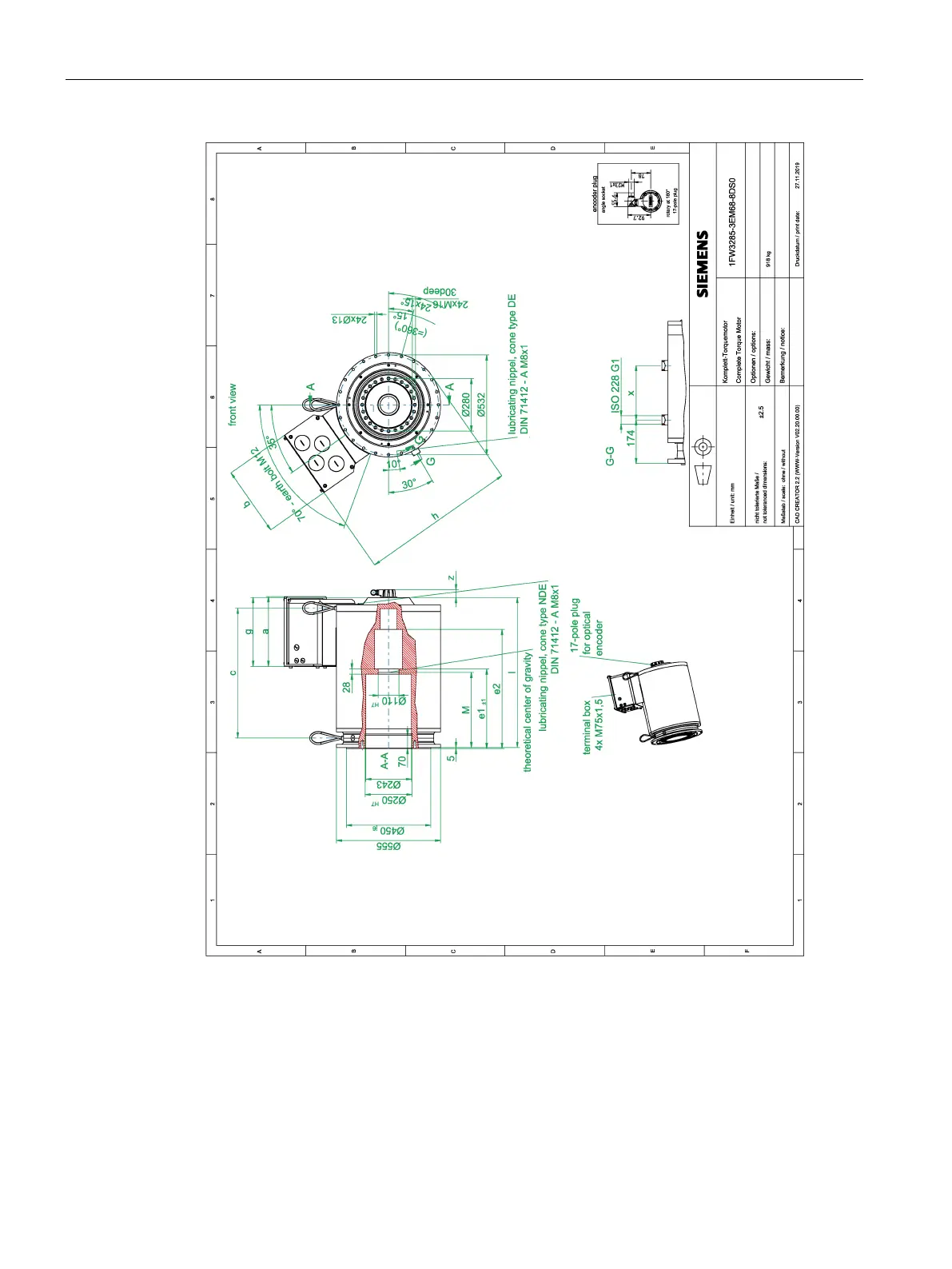
Installation drawings/Dimension drawings
9.2 Dimension drawings
1FW3 complete torque motors
332 Configuration Manual, 08/2020, A5E46027705B AA
Figure 9-10 SH280, Plug-on shaft

Table of Contents

Related product manuals