EasyManua.ls Logo

SILENT KNIGHT 4821 - 4.10-4.14 Power, SBUS, and Touchpad Installation

SILENT KNIGHT 4821
154 pages
Print Icon
To Next Page IconTo Next Page
To Next Page IconTo Next Page
To Previous Page IconTo Previous Page
To Previous Page IconTo Previous Page
Loading...
Model 4821/4820 Control/Communicator Installation Manual
4-12 150964
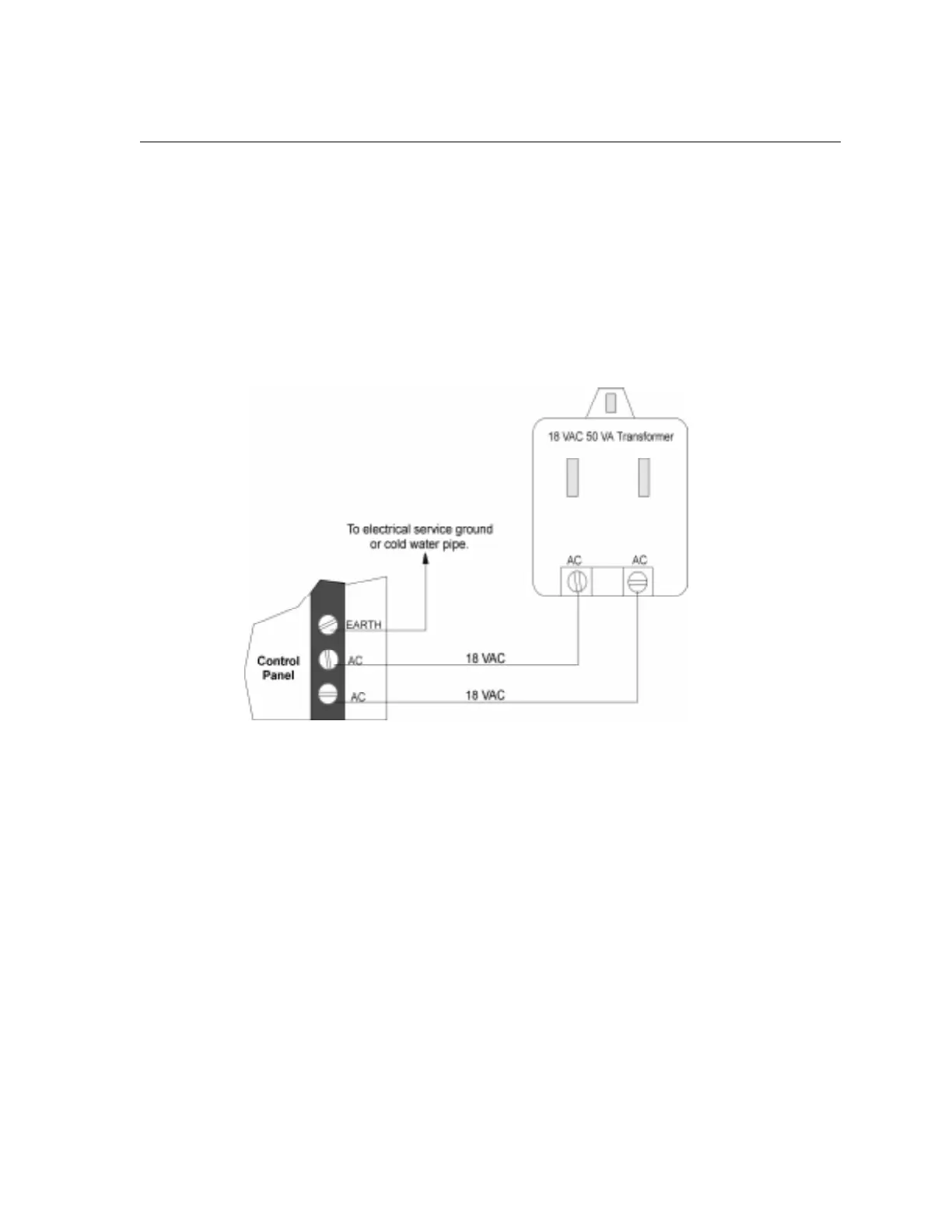
4.10 AC Power Transformer
The Model 9227 is an external transformer that is included with the 4821/4820. The trans-
former output is 18 VAC, 50VA and provides power and battery charging for the system. The
transformer plugs directly into a conventional 120 VAC unswitched outlet.
The earth terminal on the 4821/4820 main circuit board provides a convenient method for
connecting the 4821/4820 metal cabinet to an earth ground. (See Figure 4-6.)The earth con-
nection is also used for increased transient protection on the telephone interface. All circuitry
in the Model 4821/4820 system is electrically isolated from this earth terminal on the 4821/
4820 main circuit board. There should be no connections to this terminal other than the earth
connection for grounding the metal cabinet.
Figure 4-6 Model 9227 Connection to Model 4821/4820

Table of Contents

Related product manuals