EasyManua.ls Logo

SILENT KNIGHT 4821 - 4195 Auxiliary Power Supply Installation

SILENT KNIGHT 4821
154 pages
Print Icon
To Next Page IconTo Next Page
To Next Page IconTo Next Page
To Previous Page IconTo Previous Page
To Previous Page IconTo Previous Page
Loading...
Model 4821/4820 Control/Communicator Installation Manual
4-14 150964
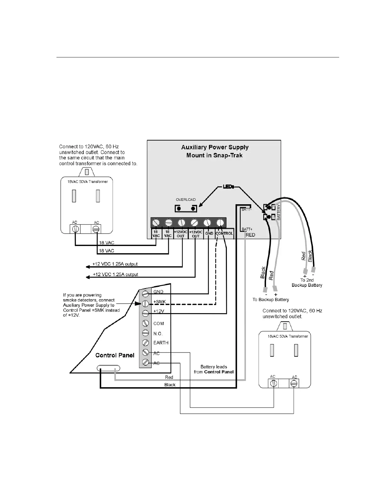
4.12 4195 Auxiliary Power Supply Installation
Through its two 1.25A 12 VDC terminals, the 4195 provides an additional 2.5A of current for
accessory items. The 4195 also allows you to use two standby batteries to double the time that
the system can function on battery standby.
Figure 4-8 shows the location of LEDs for battery reversal and output overload. It also shows
how to wire the 4195. If you are using the 4195 to power smoke detectors, connect the 4195
CONTROL terminal to the 4821/4820 +SMK terminal. For powering other types of devices,
connect CONTROL to +12V.
Figure 4-8 Model 4195 Auxiliary Power Supply Connection

Table of Contents

Related product manuals