EasyManua.ls Logo

Ski-Doo Mini Z 2000 - Page 159

Ski-Doo Mini Z 2000
160 pages
Print Icon
To Next Page IconTo Next Page
To Next Page IconTo Next Page
To Previous Page IconTo Previous Page
To Previous Page IconTo Previous Page
Loading...
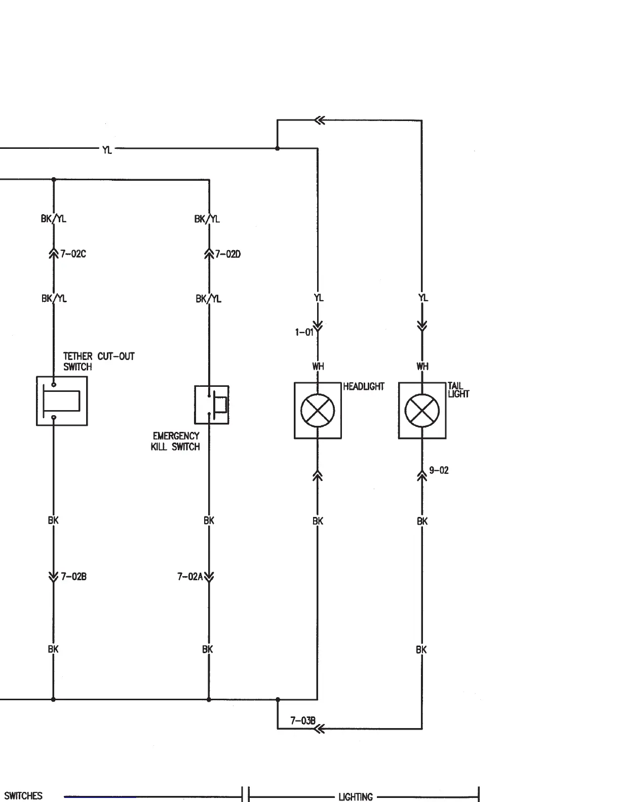
MINI Z 0
7-03A
9-01
1-02
ANNEX 1
A31Z02

Table of Contents