EasyManua.ls Logo

Sony STR-ZA2000ES - Schematic Diagram - PRE-OUT Board (ZA3000 ES)

Sony STR-ZA2000ES
126 pages
Print Icon
To Next Page IconTo Next Page
To Next Page IconTo Next Page
To Previous Page IconTo Previous Page
To Previous Page IconTo Previous Page
Loading...
STR-ZA1000ES/ZA2000ES/ZA3000ES
STR-ZA1000ES/ZA2000ES/ZA3000ES
5959
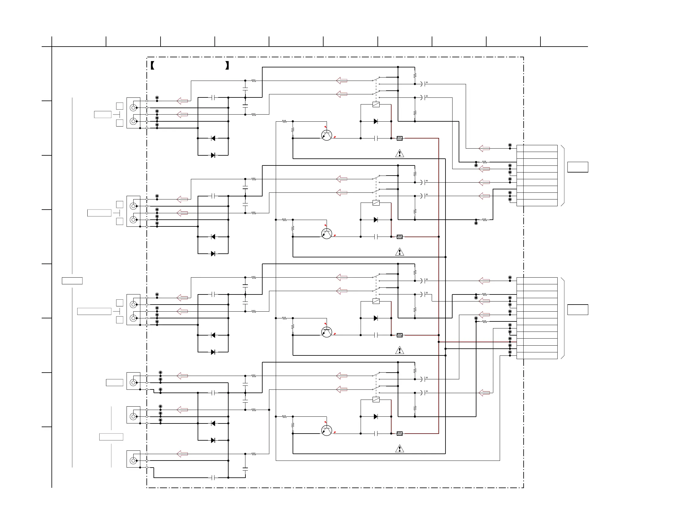
6-20. SCHEMATIC DIAGRAM - PRE-OUT Board (ZA3000ES) -
0.7
0
0.7
0
0.7
0
0.7
0
100k
R355
100p
C351
DA2J10100L
D352
10
R354
100p
C352
1k
R350
1k
R351
100k
R356
100p
C361
100p
C362
1k
R360
1k
R361
100p
C371
100p
C372
1k
R370
1k
R371
1k
R380
1k
R381
100p
C381
100p
C382
1k
R391
100p
C391
+
RY350
10k
R353
2PD601ART
Q350
4.7k
R352
4.7k
R362
2PD601ART
Q360
10k
R363
100k
R365
DA2J10100L
D362
10
R364
100k
R366
+
RY360
10k
R373
2PD601ART
Q370
4.7k
R372
100k
R375
DA2J10100L
D372
10
R374
100k
R376
+
RY370
10k
R384
2PD601ART
Q380
4.7k
R383
100k
R386
DA2J10100L
D382
10
R385
100k
R387
+
RY380
8P
CN350
1FR
3AGND
4FL
5AGND
6SR
7AGND
8SL
9AGND
11P
CN351
1 SBR
3AGND
4 SBL
5AGND
6C
7AGND
8SW
9AGND
10 DCDC_12V
11 RY_GND
12 RY_PRE_SW
R357
0
R359
0
R368
0
R377
0
DA2J10100L
D371
DA2J10100L
D381
DA2J10100L
D380
C392
DA2J10100L
D361
DA2J10100L
D360
DA2J10100L
D370
DA2J10100L
D351
DA2J10100L
D350
50V
10
C374
50V
10
C375
50V
10
C384
50V
10
C385
50V
10
C364
50V
10
C365
50V
10
C355
50V
10
C354
CL356
CL357
CL358
CL364
CL365
CL354
CL366
CL368
CL369
CL374
CL376
CL377
CL378
CL379
CL384
CL375
CL367
CL355
CL359
CL350
CL352
CL353
CL351
100p
C350
0.1
C353
0.1
C363
0.1
C373
0.1
C383
CL362
CL361
CL360
CL363
100p
C360
CL372
CL371
CL370
CL373
100p
C370
100p
C380
CL382
CL381
CL380
CL385
CL386
CL383
PRE-OUT BOARD
J350
J360
J370
J380
J381
J390
BOARD
CN255
>05S
AUDIO
(5/6)
(5/6)
BOARD
CN253
>04S
AUDIO
2NC
2NC
FRONT
L
R
SURROUND
L
R
SURROUND BACK
L
R
CENTER
SUBWOOFER
PRE OUT
-2
-1
-2
-1
-2
-1
-2
-1
RELAY DRIVE
RELAY DRIVE
RELAY DRIVE
RELAY DRIVE
100p
10
G
H
F
1
C
D
6
E
2
B
3
A
45 789
(Page 56)
(Page 56)

Table of Contents

Other manuals for Sony STR-ZA2000ES

Related product manuals