EasyManua.ls Logo

Sony STR-ZA2000ES - Schematic Diagram - STBY Board

Sony STR-ZA2000ES
126 pages
Print Icon
To Next Page IconTo Next Page
To Next Page IconTo Next Page
To Previous Page IconTo Previous Page
To Previous Page IconTo Previous Page
Loading...
STR-ZA1000ES/ZA2000ES/ZA3000ES
STR-ZA1000ES/ZA2000ES/ZA3000ES
7878
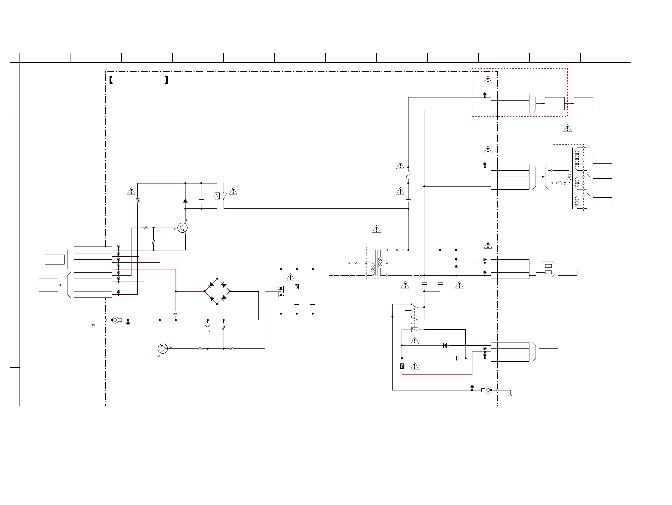
6-40. SCHEMATIC DIAGRAM - STBY Board -
0.1
0.7
0.6
0
16V
3300
C56
50V
1
C57
3P
CN01
1 LIVE
3 NEUTRAL
2P
CN11
1 LIVE
4 NEUTRAL
1SR154-400TE-25
D51
1SR154-400TE-25
D53
DA2J10100L
D61
1SR154-400TE-25
D52
1SR154-400TE-25
D54
F01
2SC2412K-T-146-QR
Q61
2PD601ART
Q56
4.7
R61
10k
R58
10k
R57
47k
R963
4.7k
R56
3P
CN12
1
LIVE
3 NEUTRAL
RY01
0.1
C61
JW51
JW52
C54
4700p
680
R53
0.056
C53
8P
CN51
STB_5V 1
AC_STOP 3
POWER_RY 4
STB_UNREG_7.8V 5
STB_GND 6
STB_DCDC_5V 7
8DCDC_GND
JW53
1k
R62
JW01
JW02
+
RY71
DA2J10100L
D71
10
R71
3P
CN71
DCDC_12V_GND1
2 DCDC_12V
DCDC_12V_GND3
0.1
C71
CL53
CL54
CL55
CL56
CL57
CL58
CL51
CL59
100p
C50
BAV70
D905
250V
0.01
C01
CL72
CL71
CL79
CL01
CL03
CL12
CL11
250V
C03
0.0022
250V
C02
0.0022
E
ET71
E
ET50
STBY BOARD
>16S
BOARD
(1/2)
CN1671
DCDC
NOT REPLACEABLE:
BUILT IN TRANSFORMER
MAIN POWER
T01
TRANSFORMER
(CHASSIS)
(CHASSIS)
(11/12)
DIGITAL
BOARD
BOARD
DCDC
>18S
CN981
(2/2)
2NC
AC DETECT
RELAY DRIVE
2
NC2
3NC
NC
NC2
UNIT
PU1
POWER
(12/12)
DIGITAL
BOARD
BOARD
AMP
>10S
CN901
(2/2)
(ZA3000ES)
BOARD
DCDC
>17S
CN1601
(2/2)
SPTM
BOARD
CN951
>13S
-
AC IN
AC1
-2
-1
SPARK-GAP
LND01
PATTERN
TRANSFORMER
T02
SUB POWER
10 11 12
G
F
1
C
D
6
E
2
B
3
A
45 789
T5AL
250V
4
3
19
7
(Page 65)
(Page 77)
(Page 63)
(Page 77)
(Page 76)

Table of Contents

Other manuals for Sony STR-ZA2000ES

Related product manuals