EasyManua.ls Logo

Sony STR-ZA2000ES - Page 83

Sony STR-ZA2000ES
126 pages
Print Icon
To Next Page IconTo Next Page
To Next Page IconTo Next Page
To Previous Page IconTo Previous Page
To Previous Page IconTo Previous Page
Loading...
STR-ZA1000ES/ZA2000ES/ZA3000ES
83
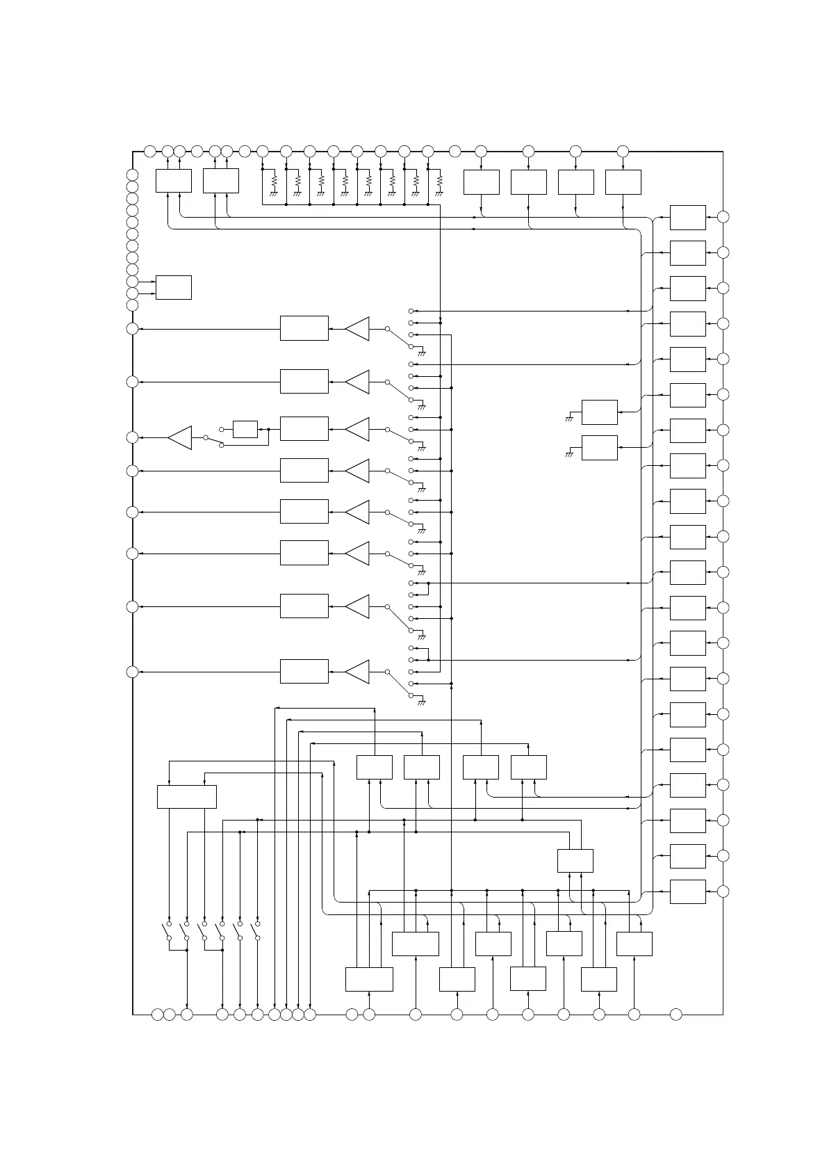
IC251 BD3471KS2
1
GND
2
HPFN
3
LPF01
4
LPF02
5
LPFN2
6
LPFN1
7
SWVOL
8
VCC
9
DGND
10
DA
11
CL
12
VEE
13
OUTFR
14
OUTFL
15
OUTSW
16
OUTC
17
OUTSR
18
OUTSL
19
OUTSBR
20
OUTSBL
21
GND
22
GND
23
SUB2L
24
SUB2R
25
RECL3
26
RECR3
27
RECL2
28
RECR2
29
RECL1
30
RECR1
40
GND
39
FRIN2
38
FLIN2
37
SWIN2
36
CIN2
35
SRIN2
34
SLIN2
33
SBRIN2
32
SBLIN2
31
GND
60
INR3
59
INL3
58
INR4
57
INL4
56
INR5
55
INL5
54
INR6
53
INL6
52
INR7
51
INL7
50
INR8
49
INL8
48
INR9
47
INL9
46
INR10
45
INL10
44
INR11
43
INL11
42
INR12
41
INL12
61
INL2
62
INR2
63
INL1
64
INR1
65
GND
66
SBLIN1
67
SBRIN1
68
SLIN1
69
SRIN1
70
CIN1
71
SWN1
72
FLIN1
73
FRIN1
75
ADCR
76
ADCL
74
GND
78
SUB1R
79
SUB1L
77
GND
80
GND
ADC
SWITCH
FR
VOLUME
SUB1
LOGIC
SWITCH SWITCH
SWITCH
SWITCH
FL
VOLUME
SW
VOLUME
C
VOLUME
SR
VOLUME
SL
VOLUME
SBR
VOLUME
SBL
VOLUME
EQ
REC
SUB2
SWITCH
SWITCH
SWITCH
SWITCH
SWITCH
SWITCH
SWITCH
SWITCH
SWITCH
SWITCH
SWITCH
SWITCH
SWITCH
SWITCH
SWITCH
SWITCH
SWITCH
SWITCH
SWITCH
SWITCH
SWITCH
SWITCH
SWITCH
SWITCH
SWITCH
SWITCH
SWITCHSWITCH SWITCHSWITCH
SWITCH
SWITCH
SWITCH

Table of Contents

Other manuals for Sony STR-ZA2000ES

Related product manuals