EasyManua.ls Logo

Sony STR-ZA2000ES - Page 89

Sony STR-ZA2000ES
126 pages
Print Icon
To Next Page IconTo Next Page
To Next Page IconTo Next Page
To Previous Page IconTo Previous Page
To Previous Page IconTo Previous Page
Loading...
STR-ZA1000ES/ZA2000ES/ZA3000ES
89
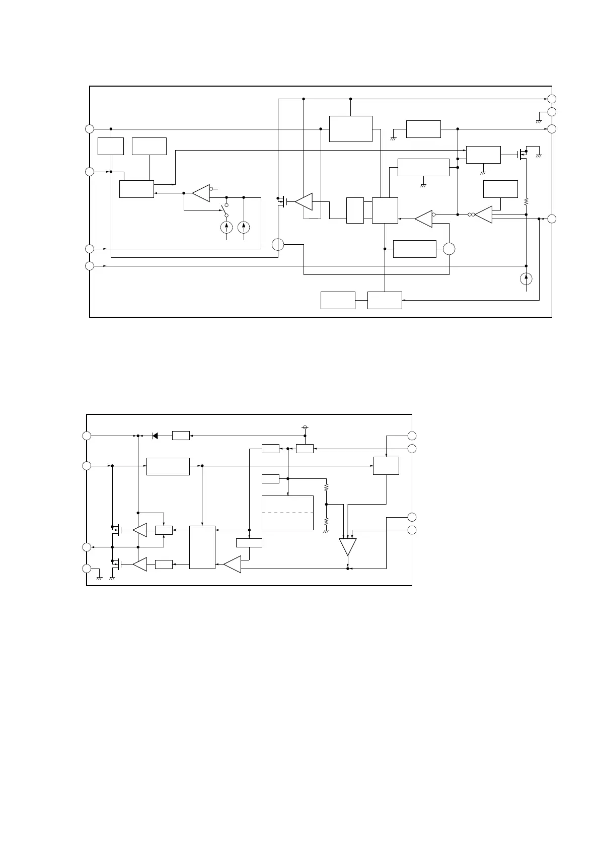
IC1701, 1721, 1741, 1761 TPS54331GDR
EN
3
VIN
2
BOOT
1
7GND
8PH
5 VSENSE
SHUTDOWN
LOGIC
BOOT
CHARGE
THERMAL
SHUTDOWN
SS
4
ENABLE THRESHOLD
ENABLE
COMPARATOR
+
+
6COMP
MAXIMUM
CLAMP
FREQUENCY
SHIFT
GATE
DRIVE
LOGIC
BOOT
UNDERVOLTAGE
LOCKOUT
OSCILLATOR
SLOPE
COMPENSATION
ECO-MODE
MINIMUM CLAMP
DISCHARGE
LOGIC
VOLTAGE
REFERENCE
PWM
COMPARATOR
PWM
LATCH
6
QR
S
12 A/V
CURRENT
SENSE
ERROR
AMPLIFIER
IC1801, 1821, 1841, 1861, 1901, 1921, 1981 BD9329AEFJ-BZSE2
VREFOSC
IBIAS
SLOPE
UNDER VOLTAGE
LOCK OUT
ERROR
AMP
DRIVE
LOGIC
S
R
PWM
THERMAL
SHUTDOWN
LVS
LVS
OVER CURRENT
PROTECT
VREG
VIN
SOFT
START
BST 1
VIN
2
SW
3
GND
4
EN
7
FB
5
COMP6
SS
8
+
+
+

Table of Contents

Other manuals for Sony STR-ZA2000ES

Related product manuals