EasyManua.ls Logo

Subaru Impreza 2004 - Page 11

Subaru Impreza 2004
796 pages
Print Icon
To Next Page IconTo Next Page
To Next Page IconTo Next Page
To Previous Page IconTo Previous Page
To Previous Page IconTo Previous Page
Loading...
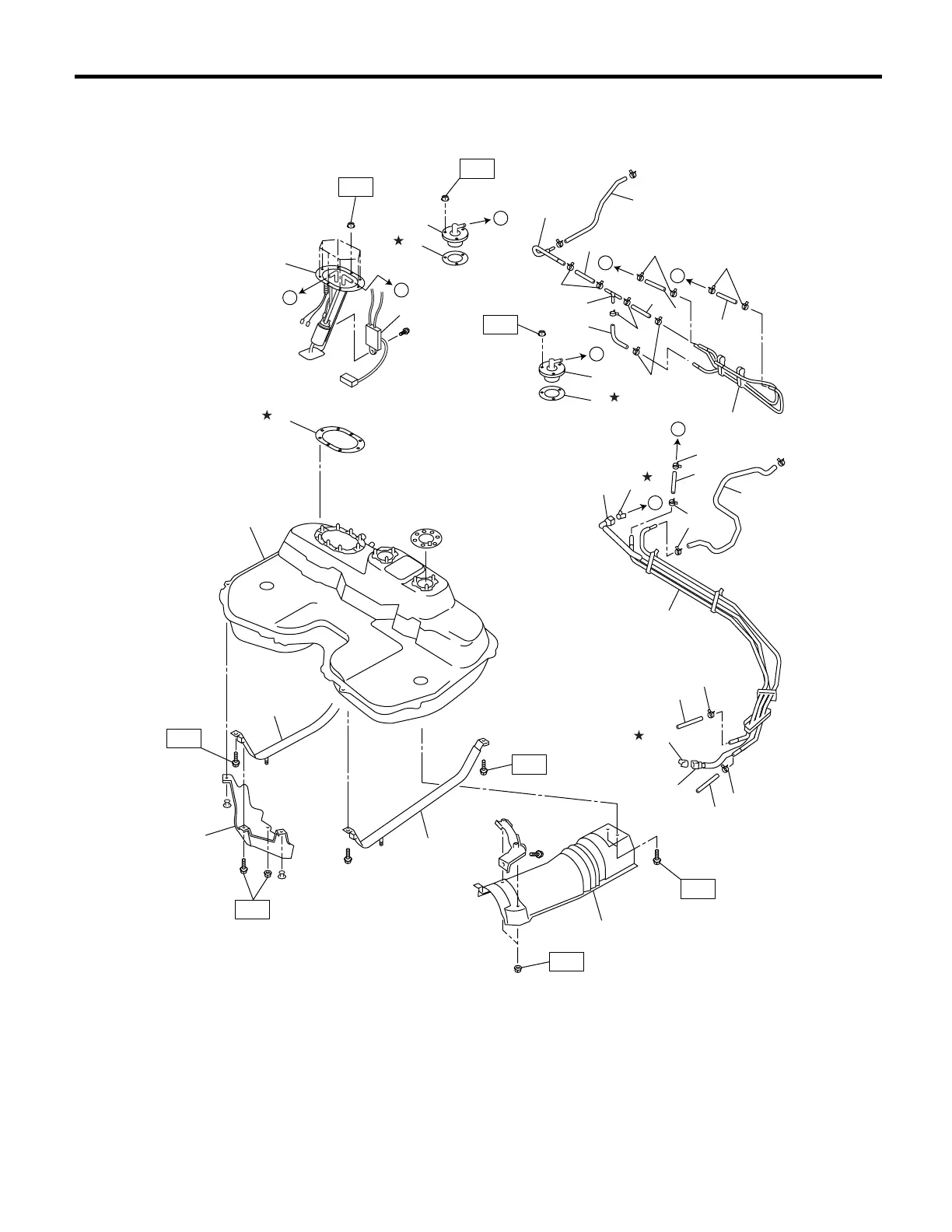
FU(H4SO)-9
FUEL INJECTION (FUEL SYSTEMS)
General Description
4. FUEL TANK
FU-00908
T1
T1
T3
T2
T2
T2
T3
(6)
(5)
(7)
(8)
(9)
(9)
(8)
(17)
(20)
(11)
(11)
(21)
(11)
(11)
(22)
(23)
(19)
(18)
(1)
(2)
(3)
(2)
(4)
A
B
(24)
(15)
A
B
T1
D
C
D
C
(18)
(11)
(11)
(11)
(11)
(11)
(24)
(12)
(13)
(10)
(16)
(25)
(14)
(19)

Table of Contents

Other manuals for Subaru Impreza 2004

Related product manuals