EasyManua.ls Logo

Suzuki DR650SE - Carburetor Construction and Specifications

Suzuki DR650SE
277 pages
To Next Page IconTo Next Page
To Next Page IconTo Next Page
To Previous Page IconTo Previous Page
To Previous Page IconTo Previous Page
Loading...
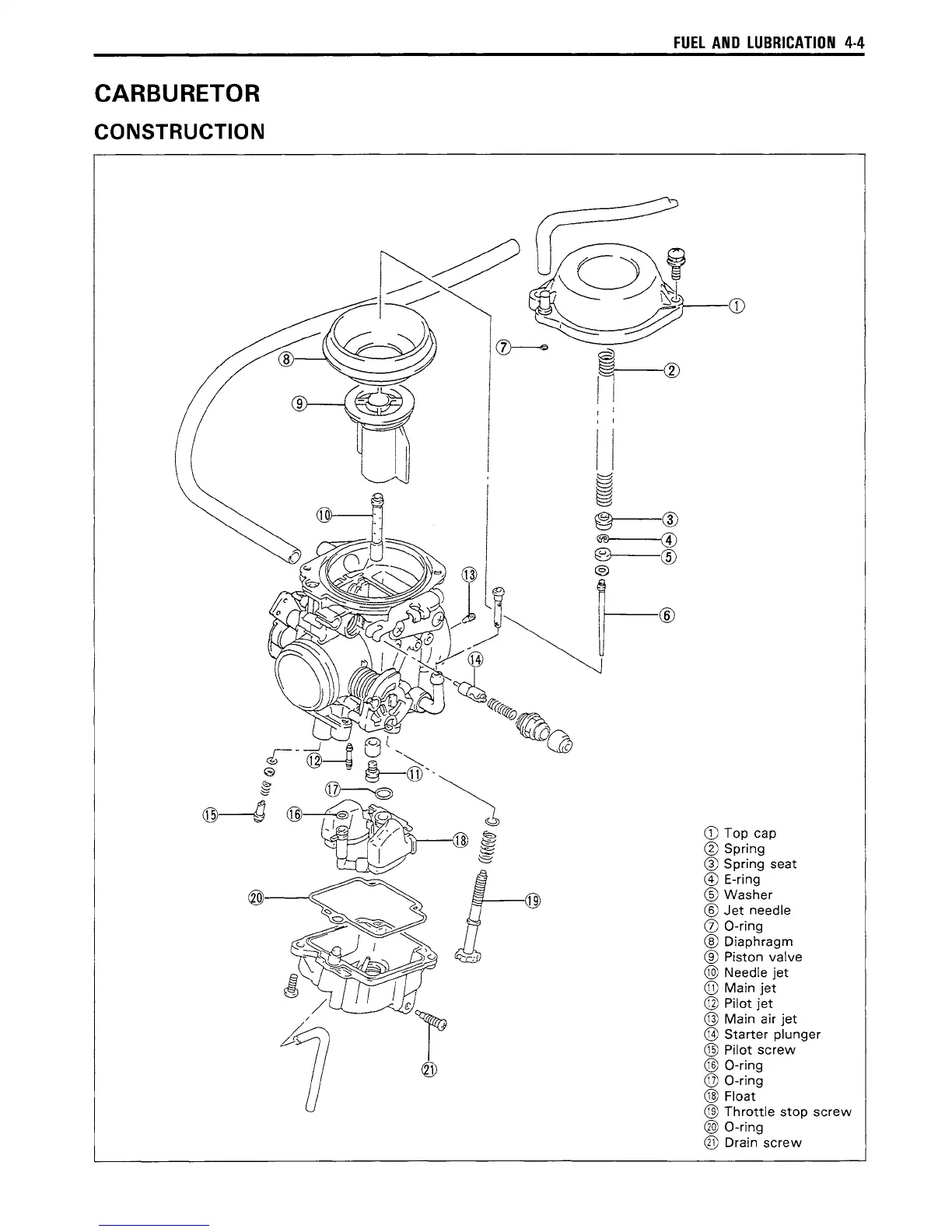
CARBURETOR
CONSTRUCTION
FUEL
AND
LUBRICATION
4·4
CD
Top
cap
@ Spring
@ Spring
seat
@ E-ring
®
Washer
®
Jet
needle
(j)
a-ring
®
Diaphragm
® Piston
valve
@ Needle
jet
®
Main
jet
@ Pilot
jet
@
Main
air
jet
@
Starter
plunger
@ Pilot
screw
@
a-ring
@
a-ring
@ Float
~
Thr.ottle
stop
screw
®
a-ring
® Drain
screw

Table of Contents

Other manuals for Suzuki DR650SE

Related product manuals