EasyManua.ls Logo

TCM FD35C9 - Page 194

TCM FD35C9
291 pages
Print Icon
To Next Page IconTo Next Page
To Next Page IconTo Next Page
To Previous Page IconTo Previous Page
To Previous Page IconTo Previous Page
Loading...
3-80
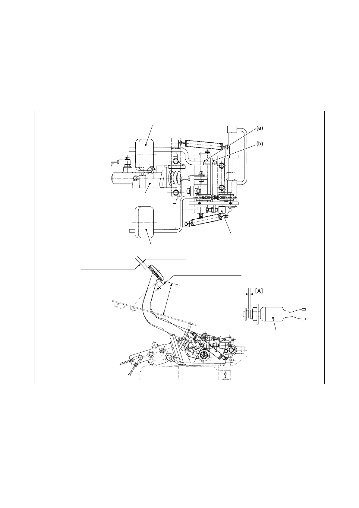
Fig. 3.254
■ADJUSITNG BRAKE PEDAL
Shorten the pushrod of the master cylinder properly.
Adjust the pedal height as shown in Figure 3.254, using the adjust bolt.
Press the brake pedal by the play, extend the pushrod so that its end comes in contact with the master
cylinder piston.
Brake pedal play: 25 mm [0.984 in.]
Inching pedal play: 30 mm [1.181 in.]
Tighten the pushrod lock nut.
(a) ADJUST BOLT
(b) LOCK NUT
ADJUSTING BRAKE SWITCH
Make sure the brake pedal height is as indicated in Figure 3.254, and then loosen the brake switch lock
nut.
Remove the brake switch lead wire connector.
Turn the switch so that the size “A” is 1 mm [0.04 in.].
Make sure the brake lamps turn on when the brake pedal is pressed by the play.
BRAKE PEDAL
BRAKE BOOSTER
Inching pedal stroke
length before the
brake is activated
5 mm [0.197 in.]
BRAKE PEDAL (INCHING)
BRAKE LAMP SWITCH
BRAKE PEDAL PLAY:
25 mm [0.984 in.]
BRAKE SWITCH
120 mm
[4.724 in.]

Related product manuals