EasyManua.ls Logo

TCM FD35C9 - CLUTCH PEDAL and BRAKE PEDAL (Manual Transmission Trucks)

TCM FD35C9
291 pages
Print Icon
To Next Page IconTo Next Page
To Next Page IconTo Next Page
To Previous Page IconTo Previous Page
To Previous Page IconTo Previous Page
Loading...
3-5
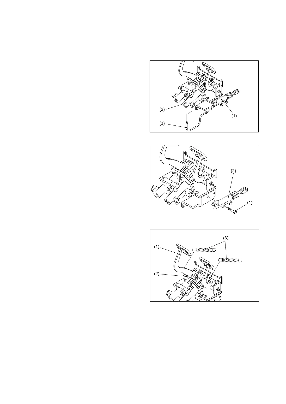
3.1.2 CLUTCH PEDAL AND BRAKE
PEDAL (manual transmission
trucks)
DISASSEMBLY
Remove the pipe (3) connecting the clutch
release cylinder (1) and the clutch booster (2).
Remove the bolts (1) and remove the clutch
release cylinder (2).
Remove the springs (3) from the brake pedal
(1) and clutch pedal (2).
Fig. 3.16
Fig. 3.15
Fig. 3.14

Related product manuals