EasyManua.ls Logo

TCM FD35C9 - Page 246

TCM FD35C9
291 pages
Print Icon
To Next Page IconTo Next Page
To Next Page IconTo Next Page
To Previous Page IconTo Previous Page
To Previous Page IconTo Previous Page
Loading...
3-132
Fig. 3.425
Fig. 3.427
Fig. 3.426
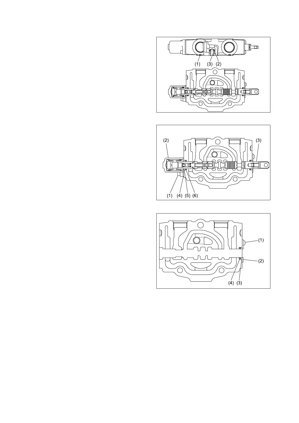
(2) Disassembling tilt spool section
Remove the O-ring (1), poppet (2), and
spring (3) from the mating surfaces.
Note: Tag the spring and poppet for proper
reassembly.
Loosen the socket head bolt (1) and then
remove the cap (2). Remove the spool (3) as a
sub-assembly, with the seal plate (4), wiper (5)
and “O”-ring (6) of the cap side installed on
the spool (3).
Loosen and remove the screw (1) at the
opposite side, and remove the seal plate (2),
wiper (3) and “O”-ring (4).

Related product manuals