EasyManua.ls Logo

TCM FD35C9 - Page 84

TCM FD35C9
291 pages
Print Icon
To Next Page IconTo Next Page
To Next Page IconTo Next Page
To Previous Page IconTo Previous Page
To Previous Page IconTo Previous Page
Loading...
2-40
Fig. 2.110
Fig. 2.109
Fig. 2.108
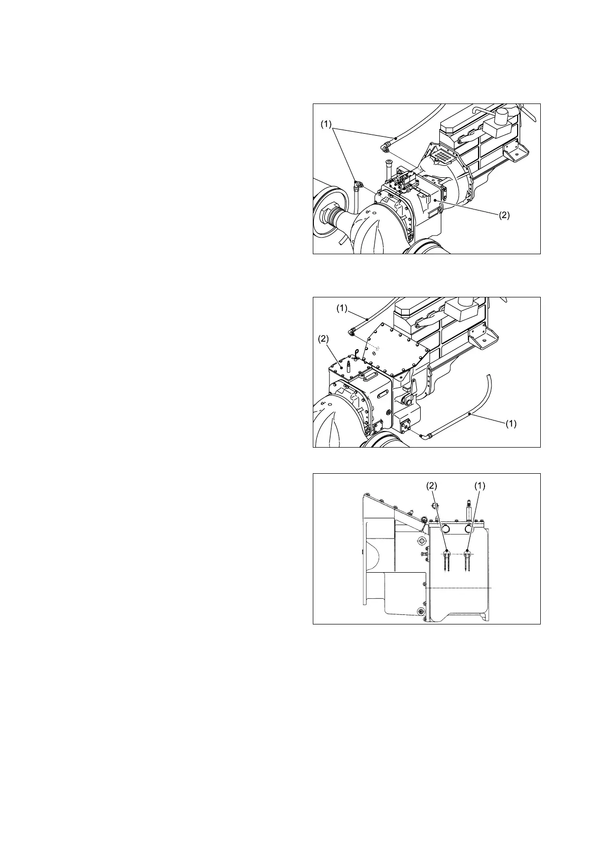
<For an automatic transmission truck>
Disconnect the wiring from the solenoid valve
in the transmission control valve assembly.
Disconnect the oil cooler hoses (1) from the
transmission case (2).
<For a manual transmission truck>
Disconnect the oil cooler hoses (1) from the
transmission case (2).
Disconnect the wiring from the neutral switch
(1) and reverse switch (2).

Related product manuals