EasyManua.ls Logo

Terex Genie GTH-4017 EX - Electrical Schematics; GTH-4013 EX Electrical Schematic

Terex Genie GTH-4017 EX
218 pages
Print Icon
To Next Page IconTo Next Page
To Next Page IconTo Next Page
To Previous Page IconTo Previous Page
To Previous Page IconTo Previous Page
Loading...
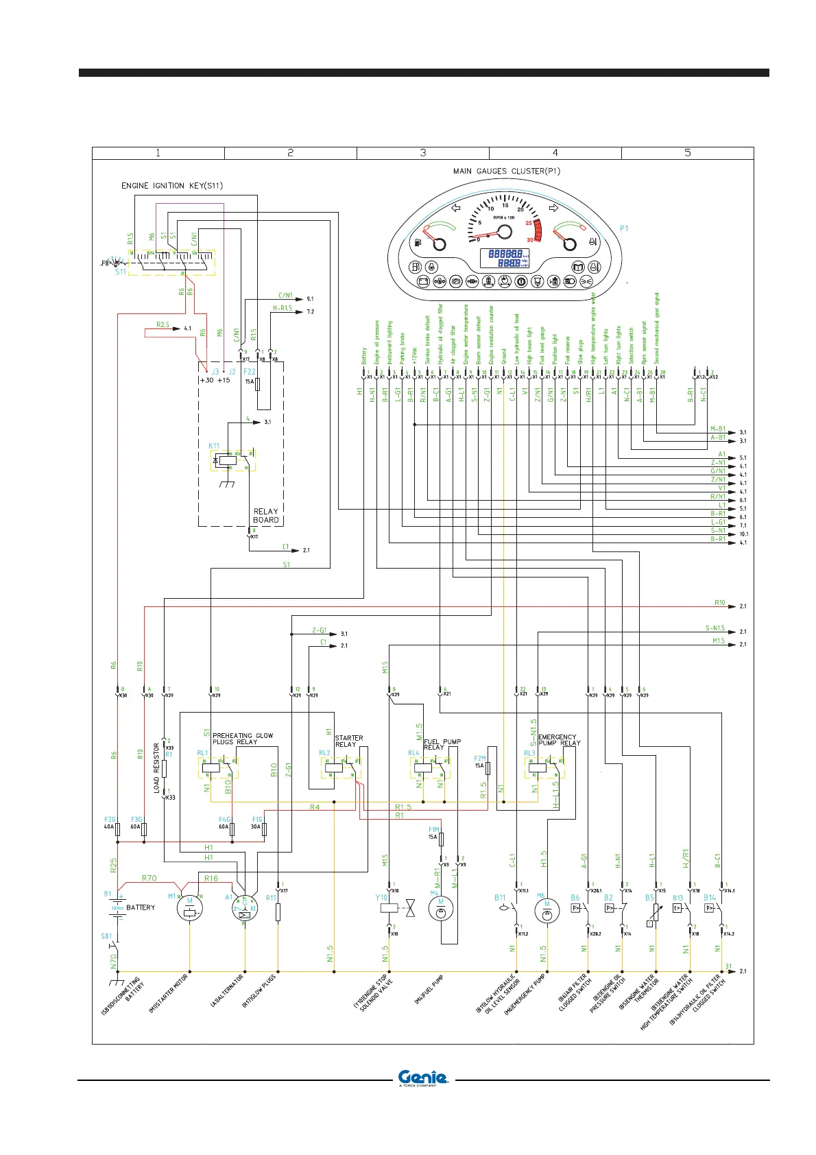
November 2008 Section 6 - Schemes
SCHEMES
Document 57.0009.0427
7
GTH-4017EX GTH-4514EX GTH-4013EX
6.4 ELECTRICAL SCHEMES
6.4.1 GTH-4013EX
1/11

Table of Contents

Related product manuals