EasyManua.ls Logo

Terex Genie GTH-4017 EX - GTH-4017 EX & GTH-4514 EX Electrical Schematic

Terex Genie GTH-4017 EX
218 pages
Print Icon
To Next Page IconTo Next Page
To Next Page IconTo Next Page
To Previous Page IconTo Previous Page
To Previous Page IconTo Previous Page
Loading...
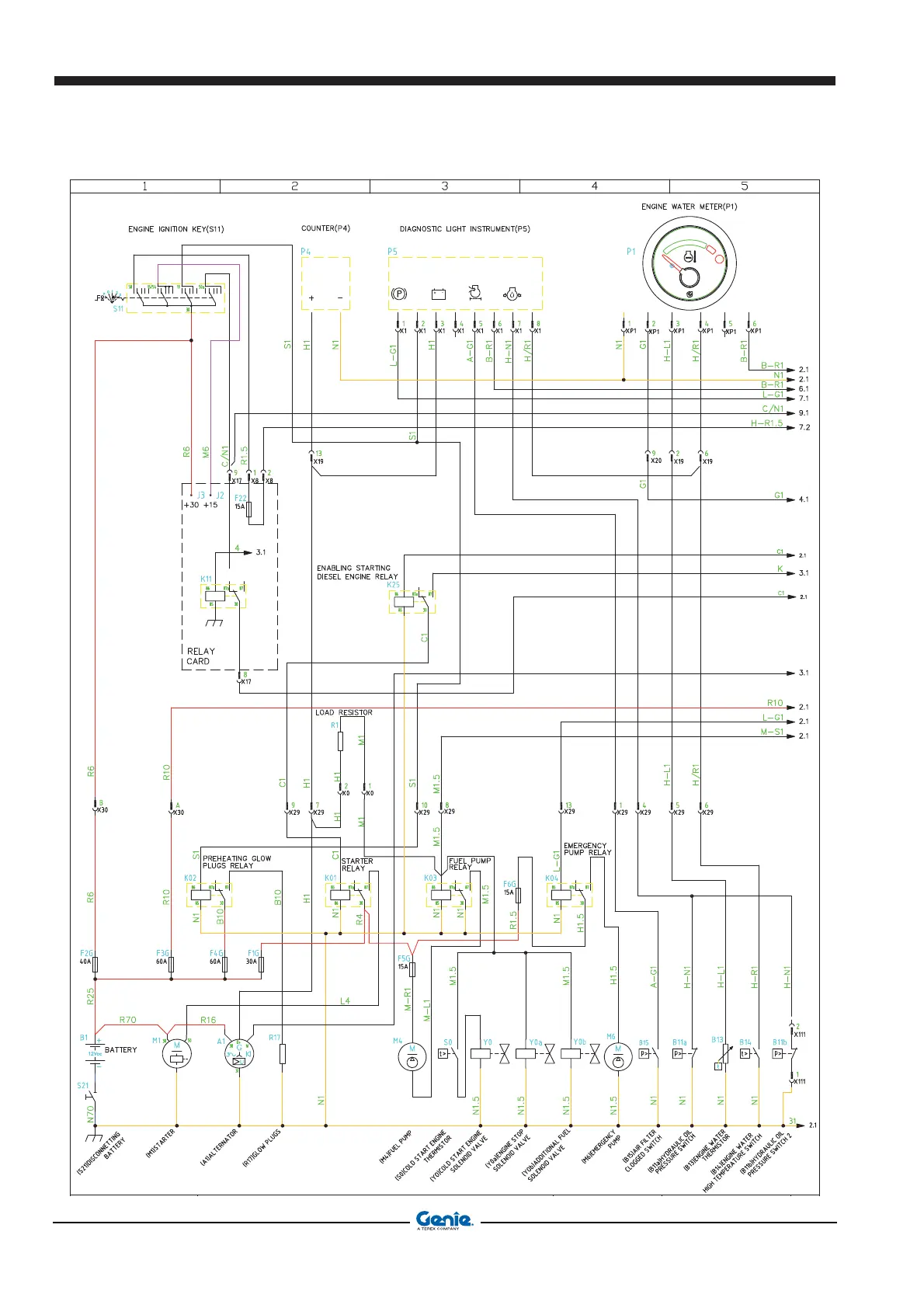
Section 6 - Schemes November 2008
SCHEMES
Document 57.0009.0427
GTH-4017EX GTH-4514EX GTH-4013EX
18
6.4.2 GTH-4017EX GTH-4514EX
1/11

Table of Contents

Related product manuals