EasyManua.ls Logo

THRUSH S2R – G10 - Standard Equipment

THRUSH S2R – G10
209 pages
Print Icon
To Next Page IconTo Next Page
To Next Page IconTo Next Page
To Previous Page IconTo Previous Page
To Previous Page IconTo Previous Page
Loading...
THRUSH AIRCRAFT, INC - MODEL S2R-G10
AIRCRAFT MAINTENANCE MANUAL
WIRING DIAGRAMS
STANDARD EQUIPMENT
* NOTE *
All wire numbers begin with a 29043- prefix.
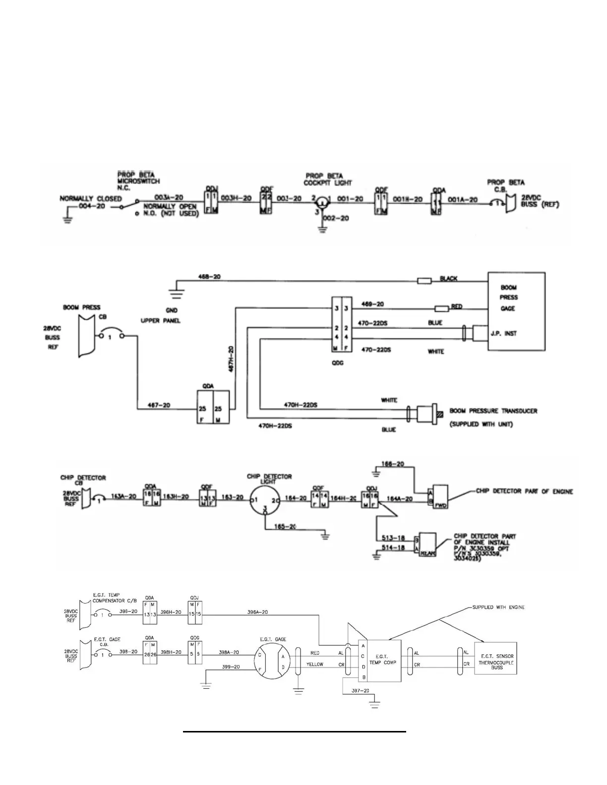
Figure 10-1: Beta Light Wiring Diagram
Figure 10-2: Boom Pressure Gauge Wiring Diagram
Figure 10-3: Chip Detector Light Wiring D
iagram
Figure 10-4: EGT Gauge Wiring Diagram
Page Effective: 03/26/2010 10-10

Table of Contents

Related product manuals