EasyManua.ls Logo

THRUSH S2R – G10 - Optional Equipment

THRUSH S2R – G10
209 pages
Print Icon
To Next Page IconTo Next Page
To Next Page IconTo Next Page
To Previous Page IconTo Previous Page
To Previous Page IconTo Previous Page
Loading...
THRUSH AIRCRAFT, INC - MODEL S2R-G10
AIRCRAFT MAINTENANCE MANUAL
OPTIONAL EQUIPMENT
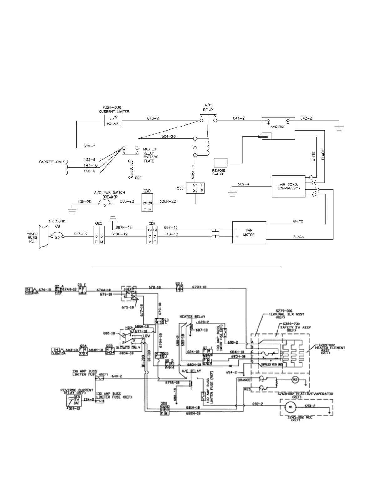
* NOTE *
All wire numbers begin with a 29043- prefix
Figure 10-24: Air Conditioner (Collins) Wiring Diagram
Figure 10-25: Air Conditioner (Zee) Wiring Diagram
Page Effective: 03/26/2010 10-18

Table of Contents

Related product manuals