EasyManua.ls Logo

THRUSH S2R – G10 - Page 194

THRUSH S2R – G10
209 pages
Print Icon
To Next Page IconTo Next Page
To Next Page IconTo Next Page
To Previous Page IconTo Previous Page
To Previous Page IconTo Previous Page
Loading...
THRUSH AIRCRAFT, INC - MODEL S2R-G10
AIRCRAFT MAINTENANCE MANUAL
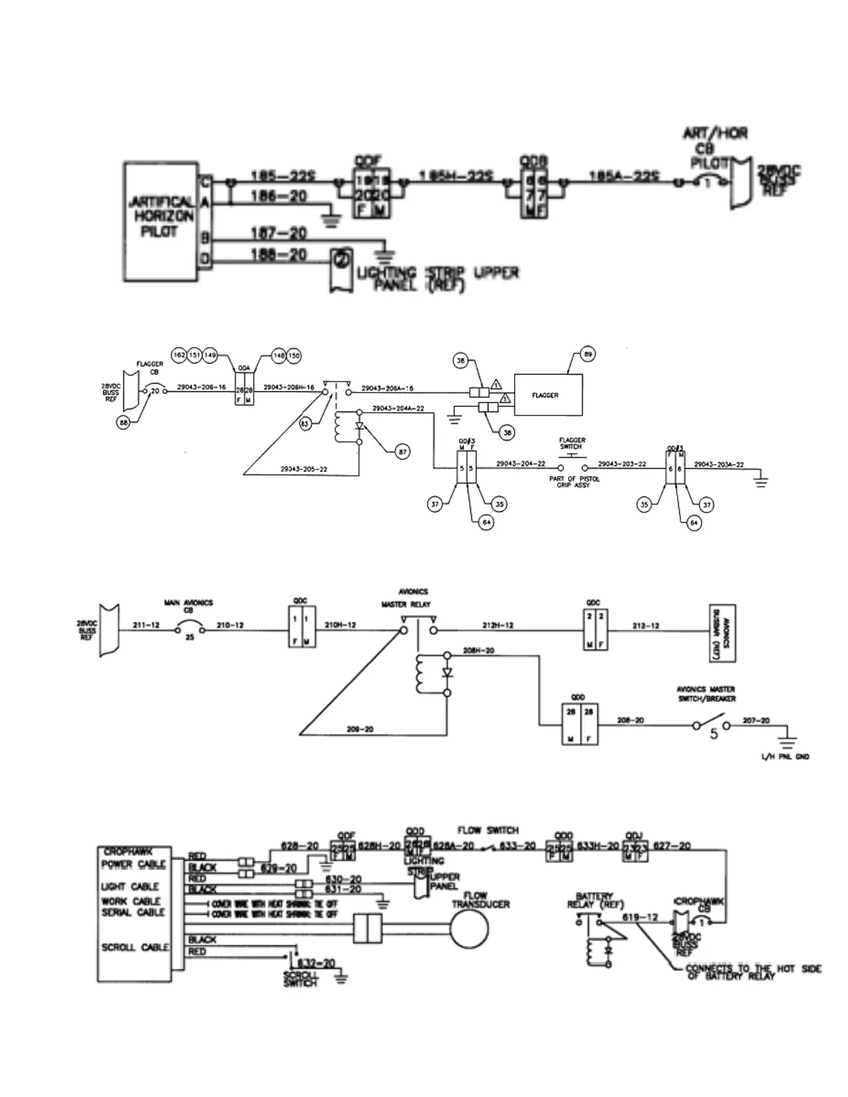
Figure 10-26: Artificial Horizon Sy
stem Wiring Diagram
Figure 10-27: Auto-Flagger System Wiring Diagram
Figure 10-28 Avionics Buss System Wiring Diagram
Figure 10-29: Crop Hawk System Wiring Diagram
Effective: 03/26/2010 Page 10-19

Table of Contents

Related product manuals