EasyManua.ls Logo

THRUSH S2R – G10 - Page 188

THRUSH S2R – G10
209 pages
Print Icon
To Next Page IconTo Next Page
To Next Page IconTo Next Page
To Previous Page IconTo Previous Page
To Previous Page IconTo Previous Page
Loading...
THRUSH AIRCRAFT, INC - MODEL S2R-G10
AIRCRAFT MAINTENANCE MANUAL
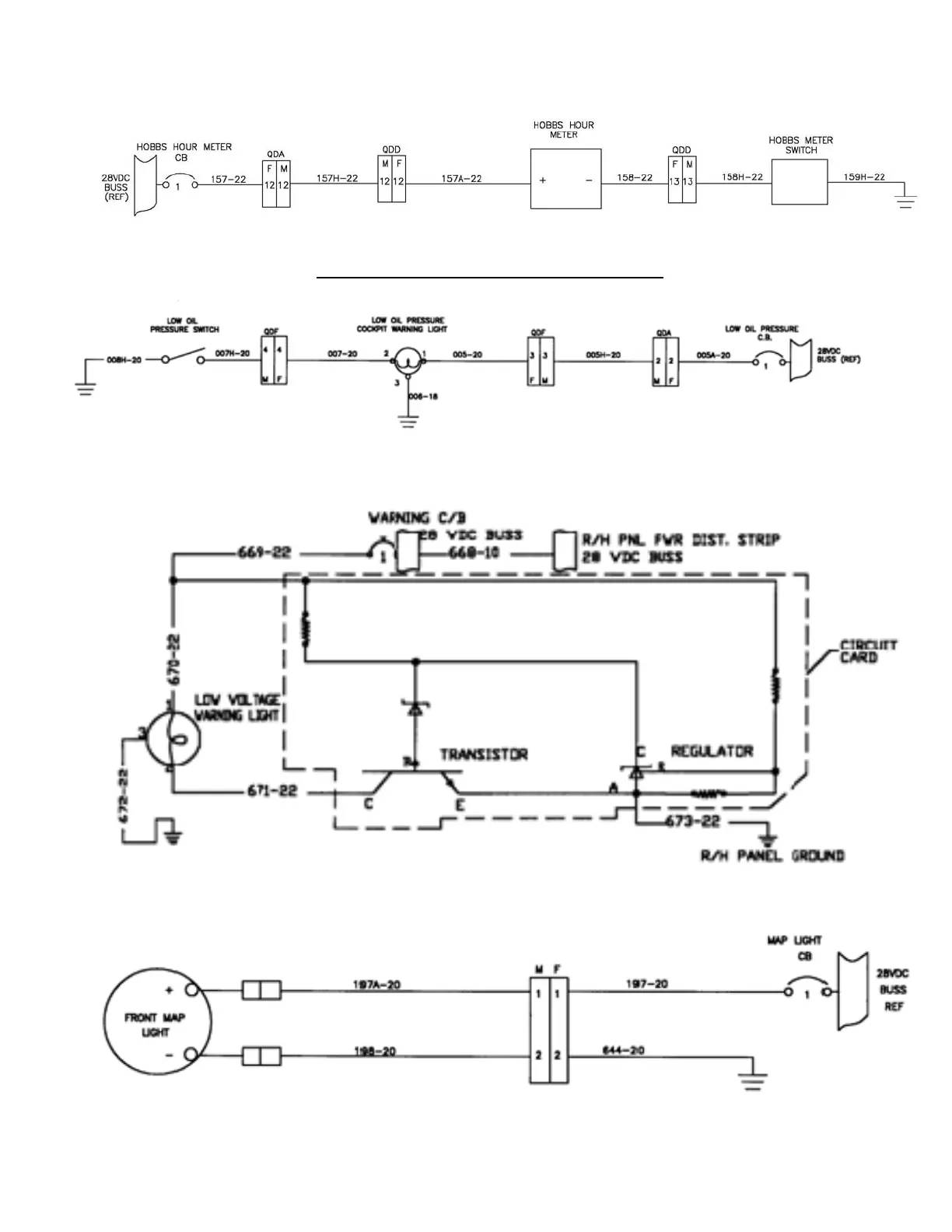
Figure 10-9: Hour Meter Wiring Diagram
Figure 10-11: Low Oil Light System Wiring Diagram
Figure 10-12: Low Voltage Warning System Wiring Diagram
Figure 10-13: Map Light System Wiring Diagram
Effective: 03/26/2010 Page 10-13

Table of Contents

Related product manuals