EasyManua.ls Logo

Toradex Verdin - Page 92

Toradex Verdin
111 pages
Print Icon
To Next Page IconTo Next Page
To Next Page IconTo Next Page
To Previous Page IconTo Previous Page
To Previous Page IconTo Previous Page
Loading...
Verdin Carrier Board Design Guide
Preliminary Subject to Change
Toradex AG l Ebenaustrasse 10 l 6048 Horw l Switzerland l +41 41 500 48 00 l www.toradex.com l info@toradex.com
Page | 92
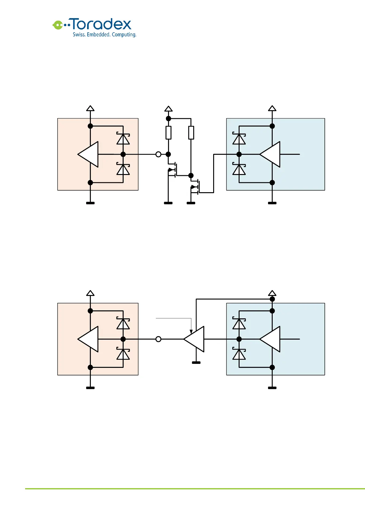
3.5.5.10 Dual-FET circuit
For low-speed signals, two transistors and two resistors can be used for blocking backfeeding. The
first transistor is inverting the signal, while the second one makes it an open-drain type. Make sure
the pull-up resistors are on the input IO rail. Instead of using two transistors, it might be possible
to invert the signal in software and use only a single FET.
Figure 83: Dual-FET circuit
3.5.5.11 Tristate Buffer
Tristate buffers that feature an output enable control signal can be a solution. For example, RS232
transceivers often feature an output enable signal. The biggest challenge with this solution is to
control the output enable signal. Often you cannot directly use the IO rail or the PWR_1V8_MOCI
as an output enable signal. If there is backfeeding to the power rail used as the output enable
signal, the buffers might never turn off, and therefore the backfeeding remains. Likely another
circuit is required for generating a proper output enable signal.
Figure 84: Tristate buffer
PeripheralSoC
IO Rail (off)
RX
Peripheral Rail (on)
TX
0V 1.8V
1.8V0V
High
1k
PWR_1V8_MOCI (off)
100k
PeripheralSoC
IO Rail (off)
RX
Peripheral Rail (on)
TX
0V 1.8V
1.8V0V
High
Output Enable
Module Pin

Table of Contents

Related product manuals