EasyManua.ls Logo

Toradex Verdin - Page 93

Toradex Verdin
111 pages
Print Icon
To Next Page IconTo Next Page
To Next Page IconTo Next Page
To Previous Page IconTo Previous Page
To Previous Page IconTo Previous Page
Loading...
Verdin Carrier Board Design Guide
Preliminary Subject to Change
Toradex AG l Ebenaustrasse 10 l 6048 Horw l Switzerland l +41 41 500 48 00 l www.toradex.com l info@toradex.com
Page | 93
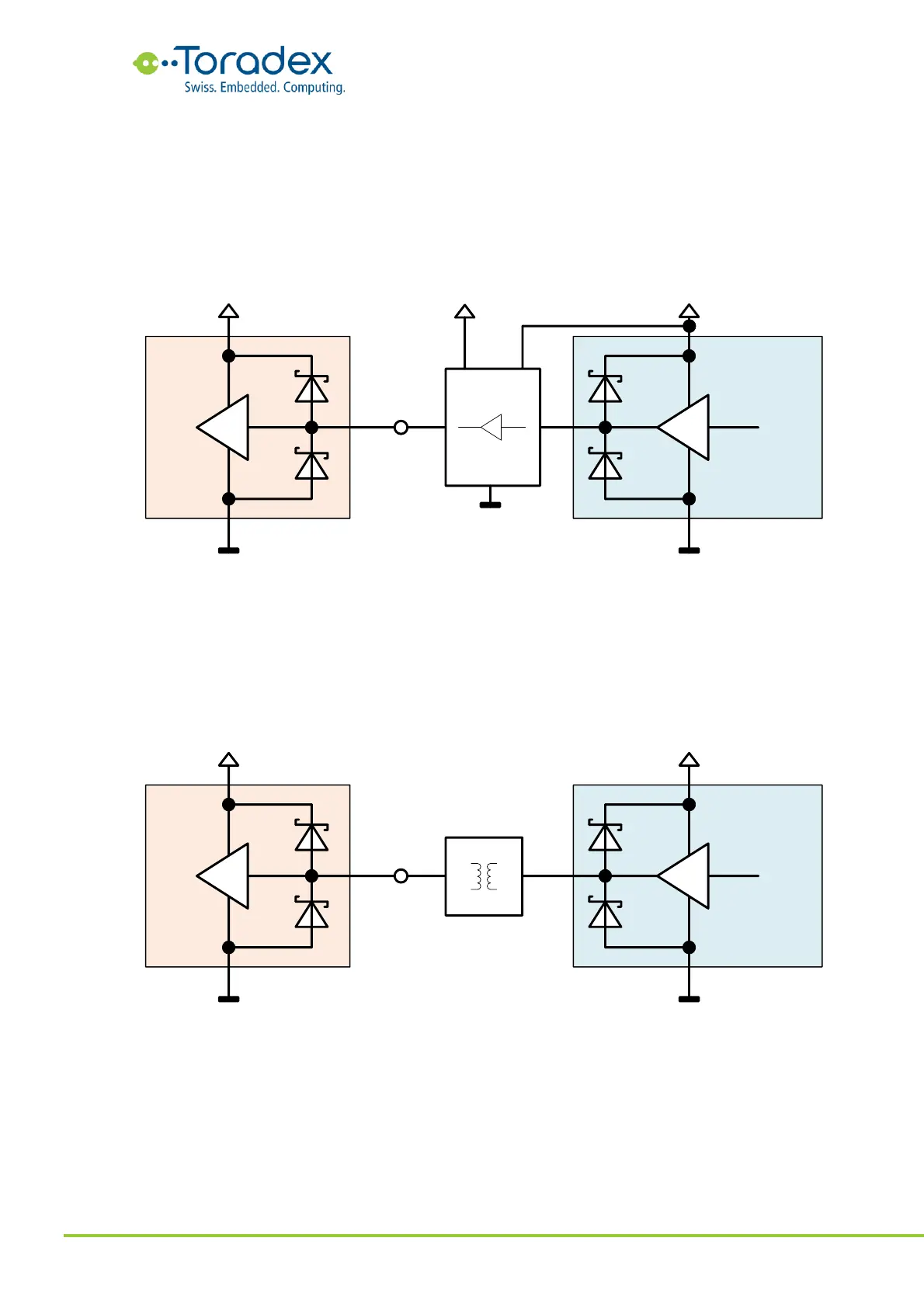
3.5.5.12 Level Shifter
Level shifters can be an effective method for preventing backfeeding. Especially if you anyway need
a level shifter in the signal path. Even if both sides have the same IO voltage level, a level shifter
can still be a good option. It is important to select a level shifter that allows both power rails to be
switched off individually. Not all level shifters allow that without causing backfeeding. A good
candidate for preventing backfeeding is the SN74AVC4T774 from TI. For open-drain signals such
as the I
2
C bus, the FXMA2102L8X from ON Semiconductor prevents backfeeding.
Figure 85: Level shifter for preventing backfeeding
3.5.5.13 Galvanic Isolation
Galvanic isolations in the signal path can be achieved by transformers, optocouplers, or specialized
ICs. Especially in harsh environments, galvanic isolation is a preferred method for isolating power
domains of different devices. The so-called magnetics inside the Ethernet connector is also a
galvanic isolator and prevents backfeeding over the Ethernet cable. Galvanic isolators are also
preferred way for protecting different power domains of CAN interfaces.
Figure 86: Galvanic isolation between input and output
PeripheralSoC
IO Rail (off)
RX
Peripheral Rail (on)
TX
0V 1.8V
1.8V0V
High
Level Shifter
PWR_1V8_MOCI (off)
0V
VCC_B VCC_A
B A
GND
PeripheralSoC
IO Rail (off)
RX
Peripheral Rail (on)
TX
0V 1.8V
1.8V0V
High

Table of Contents

Related product manuals