EasyManua.ls Logo

Toradex Verdin - Page 94

Toradex Verdin
111 pages
Print Icon
To Next Page IconTo Next Page
To Next Page IconTo Next Page
To Previous Page IconTo Previous Page
To Previous Page IconTo Previous Page
Loading...
Verdin Carrier Board Design Guide
Preliminary Subject to Change
Toradex AG l Ebenaustrasse 10 l 6048 Horw l Switzerland l +41 41 500 48 00 l www.toradex.com l info@toradex.com
Page | 94
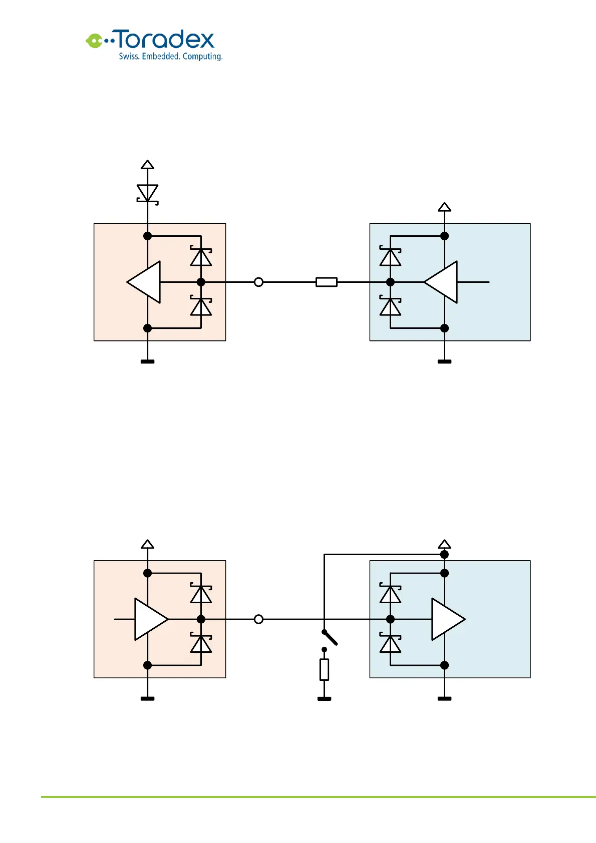
3.5.5.14 Reverse Current Protection in IO Rail
By placing a diode in the IO rail's power supply, reverse current to other IO rail devices can be
prevented. For example, this is a preferred solution for protecting the HDMI CEC signal from
backfeeding to the 3.3V rail. However, it is not always a feasible solution due to the forward
voltage drop on the IO voltage rail.
Figure 87: Reverse current protection diode
3.5.5.15 Extra Load on Rail
If the primary issue caused by the residual voltage is an above-threshold voltage compromising the
power-on reset or an incorrect device configuration strapped, a solution might be adding an extra
load to the affected rail. Turning this load on only during the power-up sequence is advisable for
reducing the extra power consumption. Before implementing this approach, make sure the extra
load is not overloading the output driver or the ESD protection diode. Often this method is used in
conjunction with other methods described before as an additional fallback solution. For example,
the driver should drive output signals low to prevent backfeeding. If the driver fails to correctly set
the output signals, the extra load can make sure that the peripheral's power-on reset is still
triggering.
Figure 88: Additional load on peripheral rail
PeripheralSoC
IO Rail (off)
RX
Module Pin
Peripheral Rail (on)
TX
22R
1.5V 1.8V
1.8V1.8V
High
0V
PeripheralSoC
IO Rail (on)
TX
Module Pin
Peripheral Rail (off)
RX
1.8V
High
10R

Table of Contents

Related product manuals