EasyManua.ls Logo

Urschel COMITROL 1700 - Page 206

Default Icon
233 pages
Print Icon
To Next Page IconTo Next Page
To Next Page IconTo Next Page
To Previous Page IconTo Previous Page
To Previous Page IconTo Previous Page
Loading...
PARTS
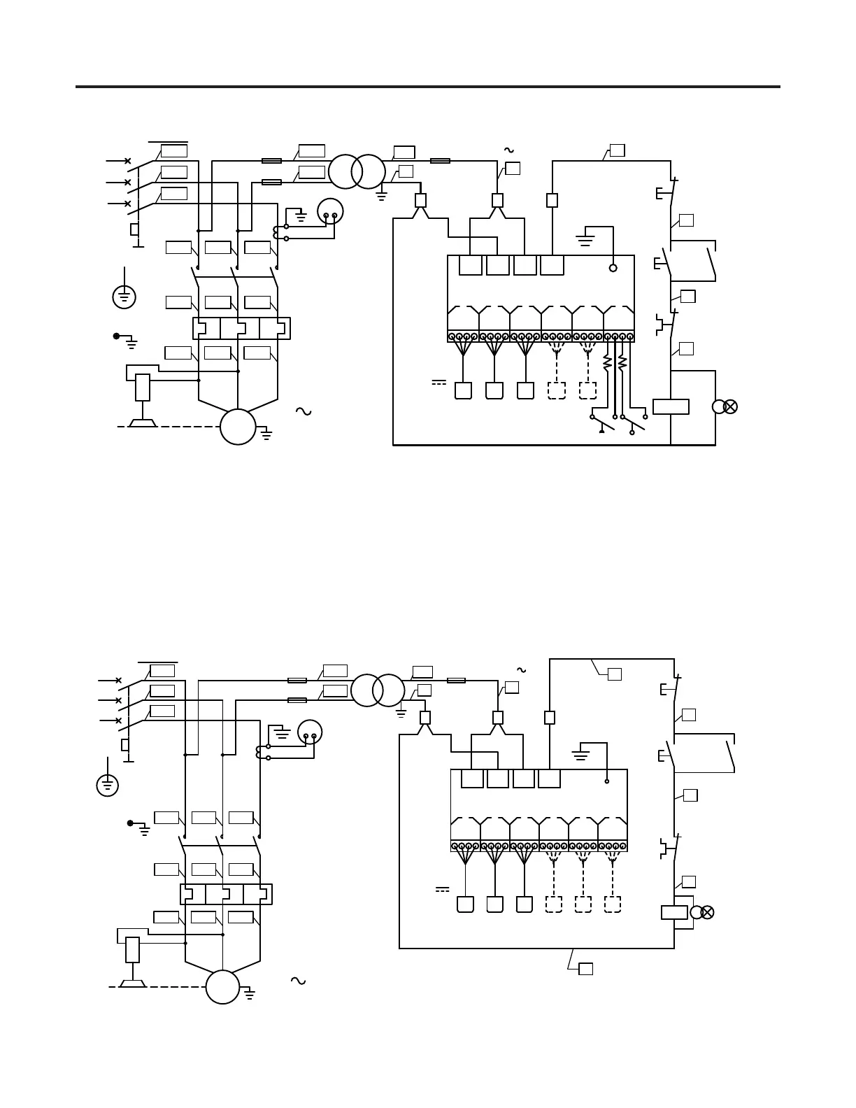
Wiring Diagrams 63861 & 63852
134
FU2 FU4
QF
1 3
80 VA
SB1
SB2
KM1
FR1
KM1
HL1
L1
L2
L3
PE
22.4 KW
3
3000 REV/MIN
G
0 V
1.25 A.5 A
110 V
DOOR
R2
W B
R
O
SENSORS
R1L2L1
12 V
1L2
1L1
1L3
X1
3
4
5
6
FU3
.5 A
AMPLIFIER
O
BW
R
O
BW
R
O
BW
R
O
BW
R
O
BW
R
1
2
2
1
2
3
4 5
6
4L1
4L2
(0)
(1)
A.
NOTE: FOR 380-415 VOLTS, 30 H.P., 3 PHASE
M1
1T1 1T2
FR1
1T3
2L1 2L2 2L3
KM1
1L31L21L1
100
63861
FU2 FU4
KM1
FR1
QF
1 3
80 VA
M1
L1
L2
L3
PE
22.4 KW
3
3000 REV/MIN
0 V
1.25 A.5 A
110 V
DOOR
R2
W B
R
O
SENSORS
R1L2L1
12 V
1L2
1L1
1L3
X1
3
FU3
.5 A
AMPLIFIER
O
BW
R
O
BW
R
O
BW
R
O
BW
R
O
BW
R
1
2
2
1
2
3
4 5
6
1L1 1L2 1L3
2L1 2L2 2L3
1T1 1T2 1T3
4L1
4L2
NOTE: FOR 380-415 VOLTS, 30 H.P., 3 PHASE
100 A
63852
G
KM1
2
SB2
KM1
5
(1)
FR1
6
HL1
95
96
SB1
4
(0)

Table of Contents

Related product manuals