EasyManua.ls Logo

Urschel COMITROL 1700 - Page 207

Default Icon
233 pages
Print Icon
To Next Page IconTo Next Page
To Next Page IconTo Next Page
To Previous Page IconTo Previous Page
To Previous Page IconTo Previous Page
Loading...
PARTS
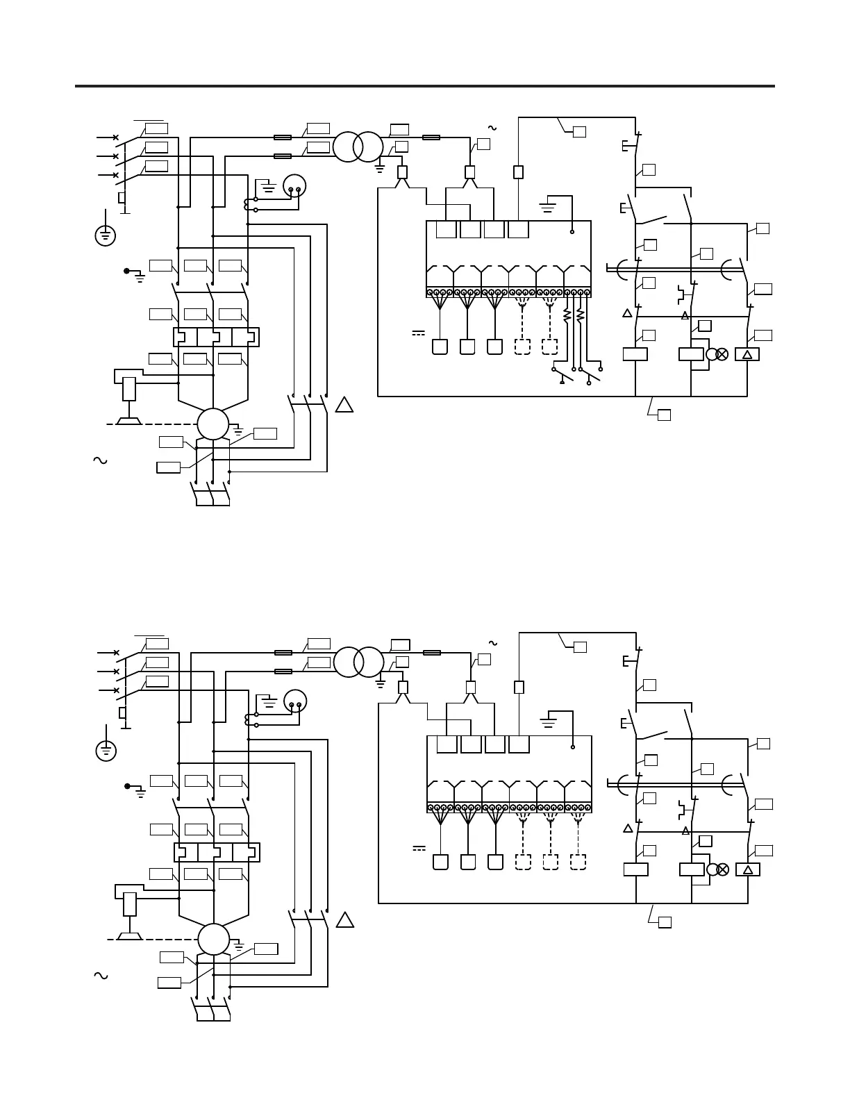
Wiring Diagrams 63838 & 63848
135
FU2 FU4
KM1
FR1
QF
1
80 VA
M1
L1
L2
L3
PE
22.4 KW
3
3000 REV/MIN
0 V
1.25 A.5 A
110 V
DOOR
1L2
1L1
1L3
X1
FU3
.5 A
1
2
2
1L1 1L2 1L3
2L1 2L2 2L3
1T1 1T2 1T3
4L1
4L2
NOTE: FOR 380-415 VOLTS, 30 H.P., 3 PHASE, Y-D
Y
1T6
1T4
1T5
63 A
63838
W B
R
O
SENSORS
12 V
O
BW
R
O
BW
R
W
R
1
2
3
4
3
R2
3
O
B
O
BW
R
O
BW
R
5
6
G
KM1
Y
2
SB2
KM1
Y
5
6
(1)
FR1
9
8
HL1
7 11
10
T.C.T.O.
8
Y
55
56
67
68
1
2 2
1
95
96
SB1
4
(0)
KM1
R1L2L1
AMPLIFIER
FU2 FU4
KM1
FR1
QF
1 3
80 VA
M1
SB1
SB2
KM1
Y
L1
L2
L3
PE
22.4 KW
3
3000 REV/MIN
0 V
1.25 A.5 A
110 V
DOOR
R2
W B
R
O
SENSORS
R1L2L1
12 V
1L2
1L1
1L3
X1
3
4
5
6
FU3
.5 A
AMPLIFIER
O
BW
R
O
BW
R
O
BW
R
O
BW
R
O
BW
R
1
2
2
1
2
3
4 5
6
1L1 1L2 1L3
2L1 2L2 2L3
1T1 1T2 1T3
4L1
4L2
(0)
(1)
NOTE: FOR 380-415 VOLTS, 30 H.P., 3 PHASE, Y-D
Y
1T6
1T4
1T5
63 A
FR1
9
8
HL1
G
KM1
KM1
Y
7
11
10
T.C.T.O.
8
2
Y
63848
55
56
67
68
1
2 2
1
95
96

Table of Contents

Related product manuals