EasyManua.ls Logo

Valtra 6850 - Page 193

Valtra 6850
1361 pages
Print Icon
To Next Page IconTo Next Page
To Next Page IconTo Next Page
To Previous Page IconTo Previous Page
To Previous Page IconTo Previous Page
Loading...
186
Model Code Page
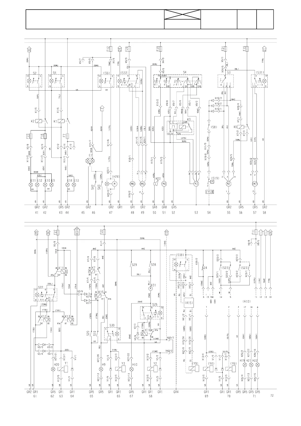
31. Electrical system
1. 4. 1997
6000--8750 310 36
PT97, 3/9
PT97, 4/9

Table of Contents

Related product manuals