EasyManua.ls Logo

Valtra 6850 - AC 5.2, Wiring Diagram

Valtra 6850
1361 pages
Print Icon
To Next Page IconTo Next Page
To Next Page IconTo Next Page
To Previous Page IconTo Previous Page
To Previous Page IconTo Previous Page
Loading...
174
Model Code Page
37. Autocontrol 5.2 (K41107---)
1. 9. 2002
371 16
6250--8950
1. 8. 2000
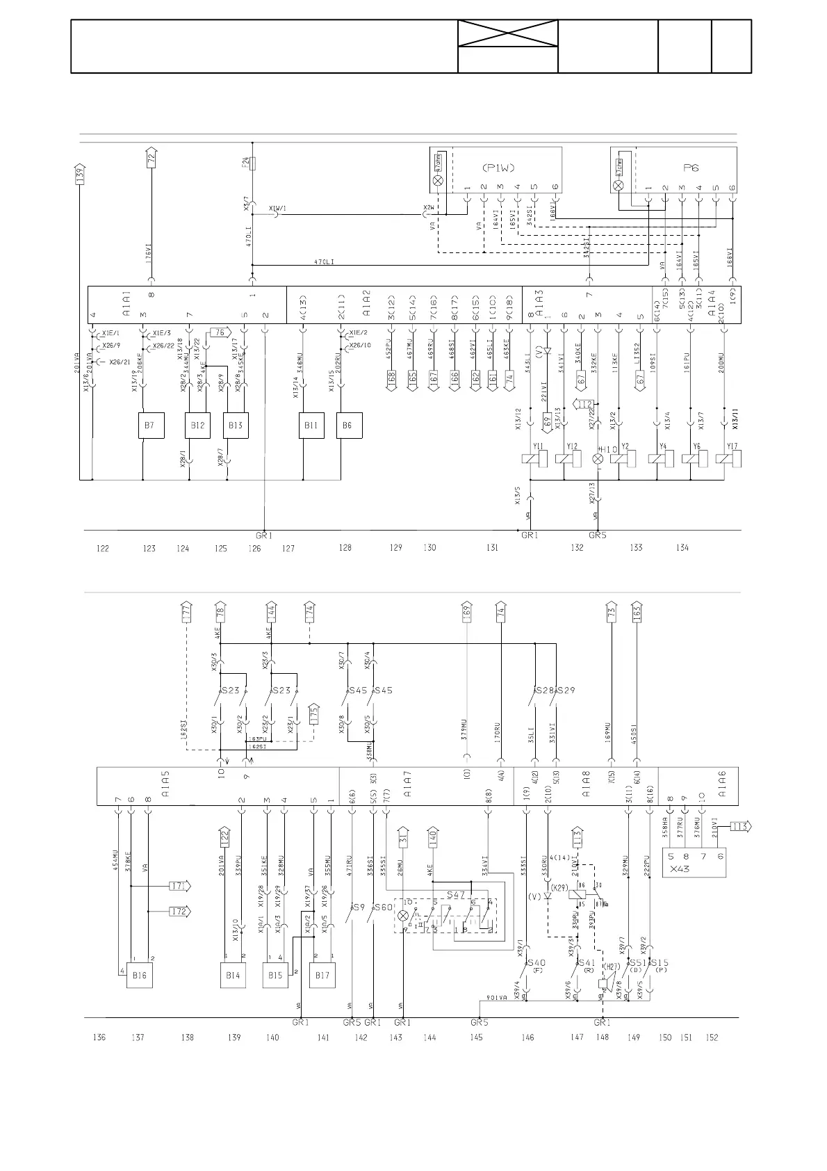
B. AC 5.2, Wiring diagram
AC 5.2 1
AC 5.2 2
Current must
not be taken
from circuit of
fuse F24 (safe-
ty risk)

Table of Contents

Related product manuals