EasyManua.ls Logo

Valtra 6850 - Wiring Diagram, ACD

Valtra 6850
1361 pages
Print Icon
To Next Page IconTo Next Page
To Next Page IconTo Next Page
To Previous Page IconTo Previous Page
To Previous Page IconTo Previous Page
Loading...
316
Model Code Page
1. 11. 1998
8450--8750
321 10
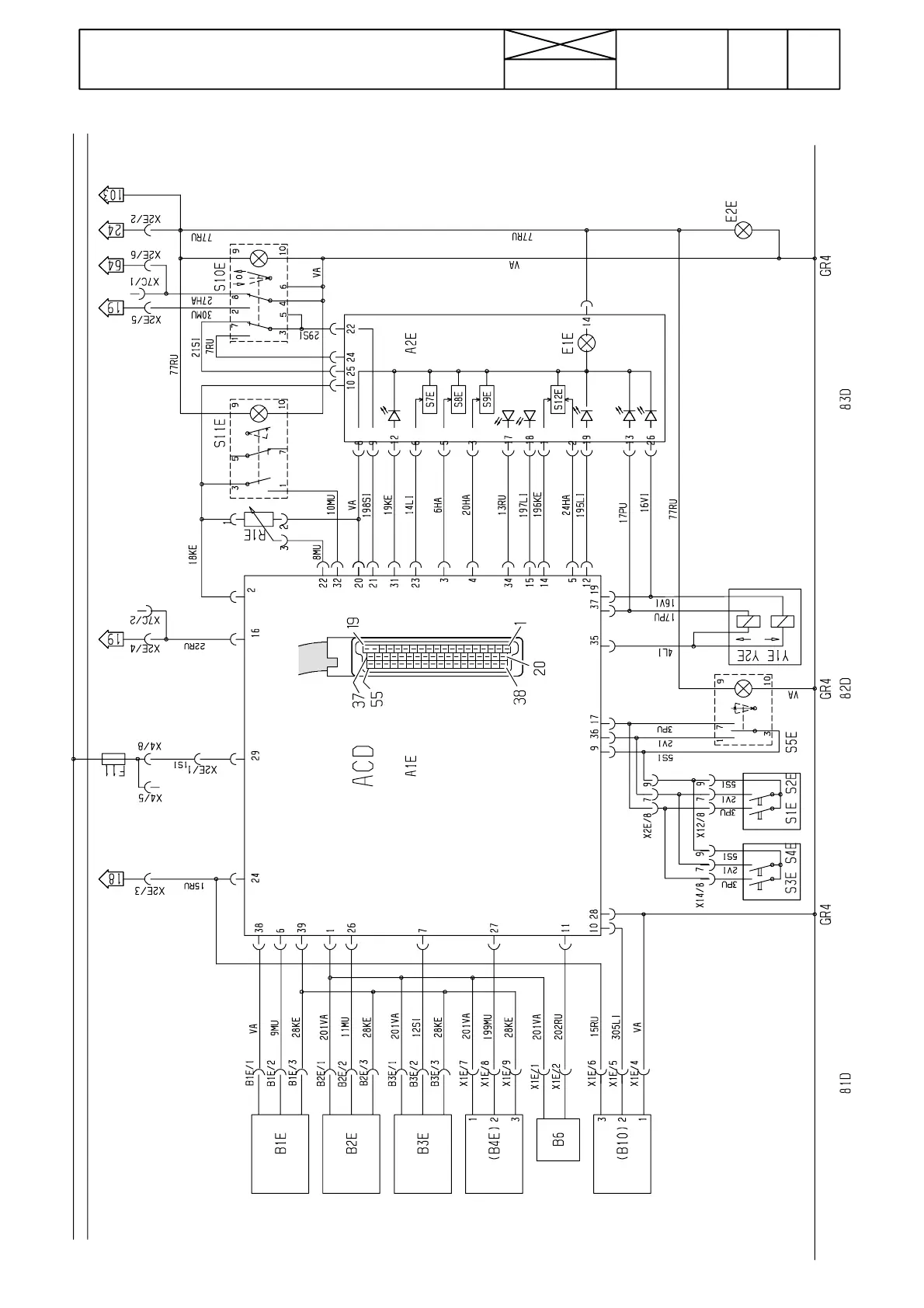
32. ACD power lift
1. 8. 1998
Wiring diagram, ACD
A C D 2 . 1 --- 6 / 7

Table of Contents

Related product manuals