EasyManua.ls Logo

Valtra 6850 - Page 229

Valtra 6850
1361 pages
Print Icon
To Next Page IconTo Next Page
To Next Page IconTo Next Page
To Previous Page IconTo Previous Page
To Previous Page IconTo Previous Page
Loading...
222
Model Code Page
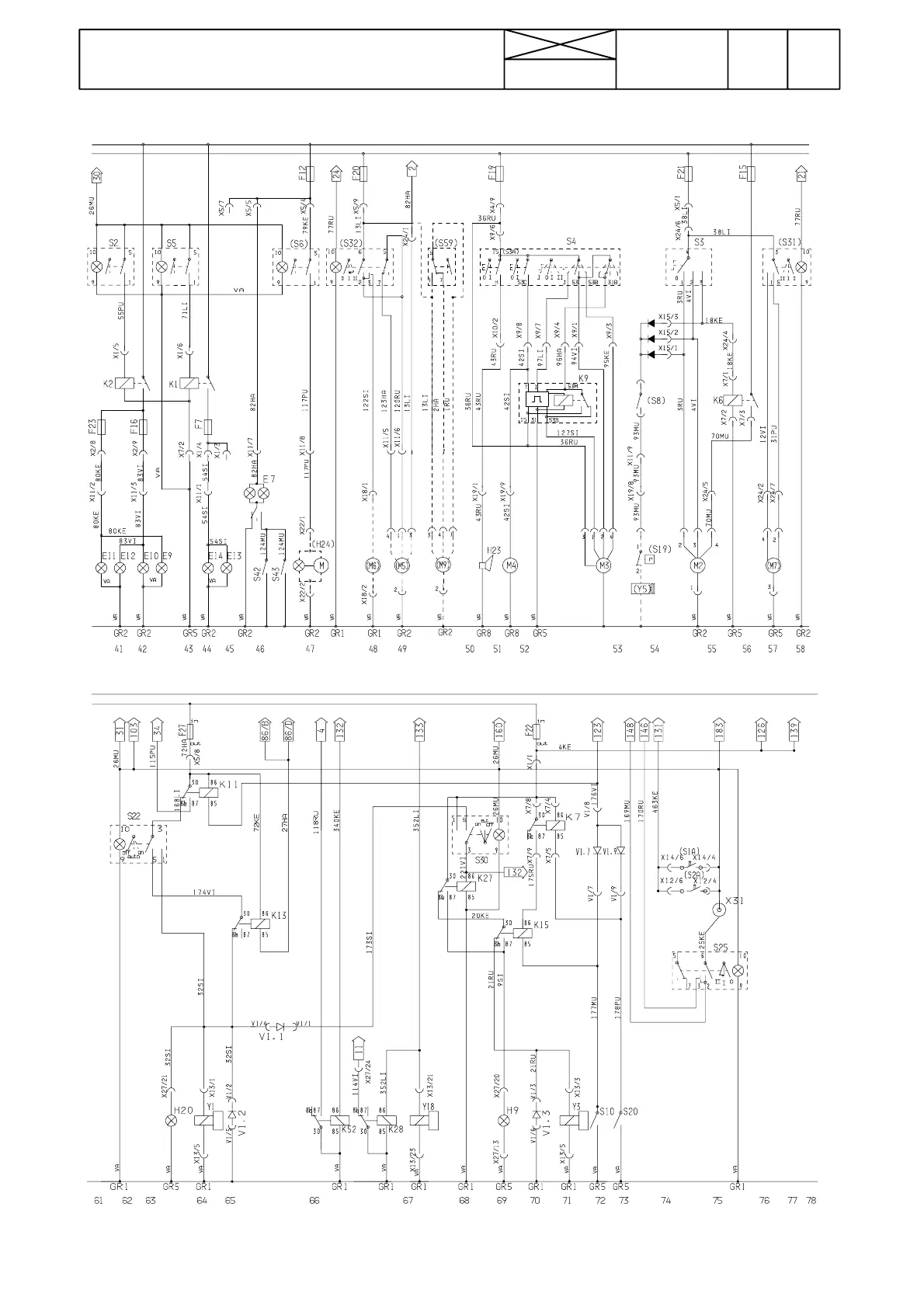
31. Trcator electrical system
1. 8. 2000
6250--8950 310 72
AC 5.2 3
AC 5.2 4

Table of Contents

Related product manuals