EasyManua.ls Logo

Valtra 6850 - Page 241

Valtra 6850
1361 pages
Print Icon
To Next Page IconTo Next Page
To Next Page IconTo Next Page
To Previous Page IconTo Previous Page
To Previous Page IconTo Previous Page
Loading...
234
Model Code Page
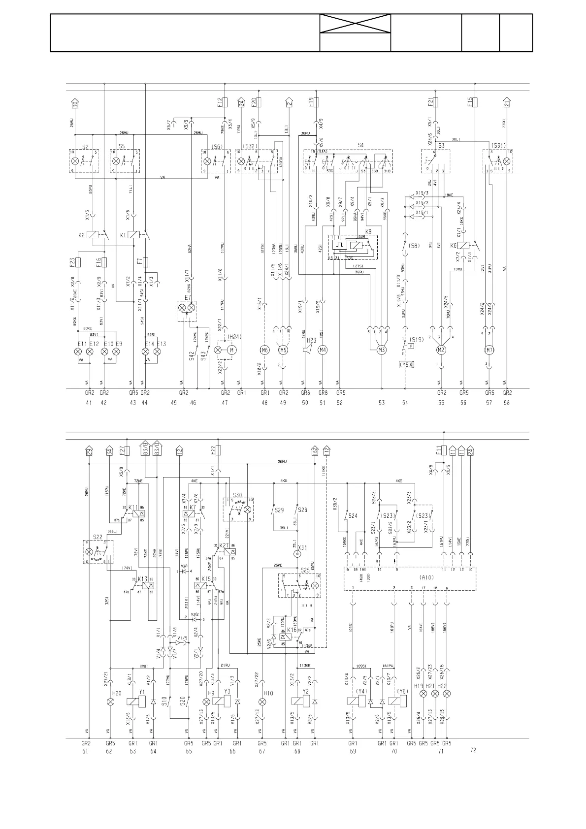
31. Tractor electrical system
1. 8. 2000
6200--8750 310 84
AC 2.3 3
AC 2.3 4

Table of Contents

Related product manuals