EasyManua.ls Logo

Valtra 6850 - Page 313

Valtra 6850
1361 pages
Print Icon
To Next Page IconTo Next Page
To Next Page IconTo Next Page
To Previous Page IconTo Previous Page
To Previous Page IconTo Previous Page
Loading...
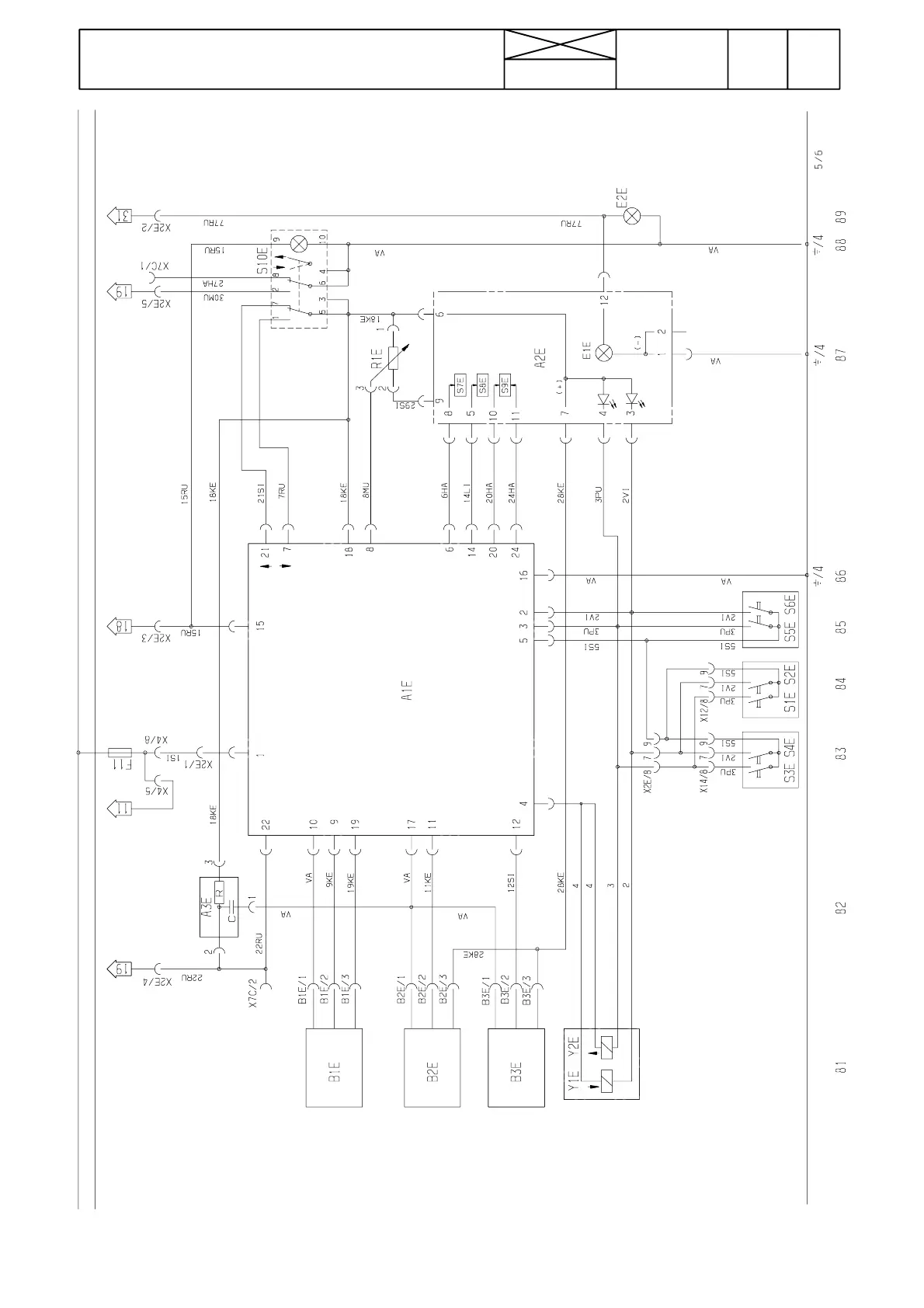
Wiring diagra m, electro---hydraulic power lift, ---662342
284
Model Code Page
32. Electro---hydraulic power lift
6000--8400 320 2
1. 1. 1994
1. 9. 1992

Table of Contents

Related product manuals