EasyManua.ls Logo

Valtra 6850 - Page 492

Valtra 6850
1361 pages
Print Icon
To Next Page IconTo Next Page
To Next Page IconTo Next Page
To Previous Page IconTo Previous Page
To Previous Page IconTo Previous Page
Loading...
451
Model Code Page
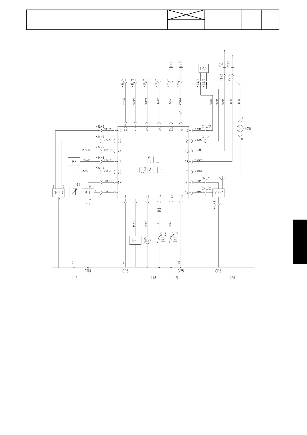
31. CareTel
1. 4. 1997
6000--8750 361 3
Wiring diagram (see also diagrams on pages 310/33---38)
Position of connectors:
X34: Connector in the rear part of the lever console (9 pins)
X35: Connector in the lever console (9 pins)
X43: Socket on the lever console on the driver’s right (8 pins)
X2: Connector in the fuse box (9 pins)
X7: Connector in the fuse box (9 pins)
X1L: Under the AC/ACD switch panel in the lever console on the driver’s right (8 pins)
X2L: In the steering wheel console under the dashboard (3 pins)
X3L: In the steering wheel console under the dashboard (9 pins)
X4L: InthecabroofontheLHside(3pins)
GR4: Earth point in the rear part of the lever console
GR5: Earth point on the cab front wall under the dashboard
Ru = brown
Pu = red
Ke = yellow
Si = blue
Mu = black
Vi = green
Va = white
Ha = grey
Li = lilac

Table of Contents

Related product manuals