EasyManua.ls Logo

Valtra 6850 - Page 735

Valtra 6850
1361 pages
Print Icon
To Next Page IconTo Next Page
To Next Page IconTo Next Page
To Previous Page IconTo Previous Page
To Previous Page IconTo Previous Page
Loading...
684
Model Code Page
42 Gearbox
8. 11. 1990
16420
6000--8750
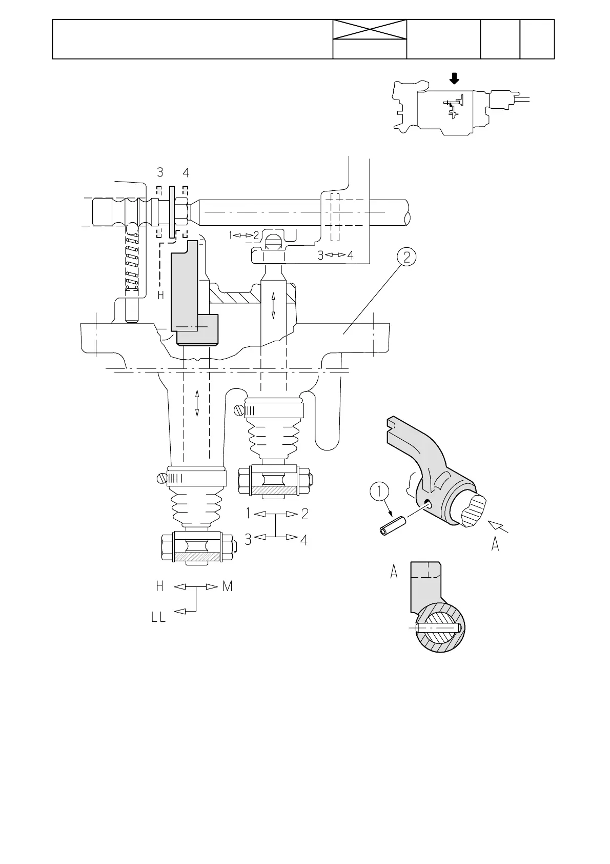
Figure 17. BlockingdeviceforgearH4
1. The tension pin must be fitted with the split side either up-
wards or downwards.
(N.B. The bore does not reach through the blocking device).
2. Gearbox RH side cover
On tractors intended for certain markets, the gearbox (type 40
km/h) is equipped with a blockingdevice for gear H4. The ma-
ximum speed is then about 30 km/h.
Function:
If the speed gear 4 has been engaged, and then the range ge-
ar lever is movedto the H position, theblocking devicepushes
(by means of a washer on the selectorfork rail) the speed gear
4outofmesh.
If, in turn, the range gear lever is in H--- position, and the
speed gear lever is moved to position 4, the device disenga-
ges the range H.

Table of Contents

Related product manuals