EasyManua.ls Logo

Valtra 6850 - Page 972

Valtra 6850
1361 pages
Print Icon
To Next Page IconTo Next Page
To Next Page IconTo Next Page
To Previous Page IconTo Previous Page
To Previous Page IconTo Previous Page
Loading...
915
Model
No Page
16.06.2000 59.3
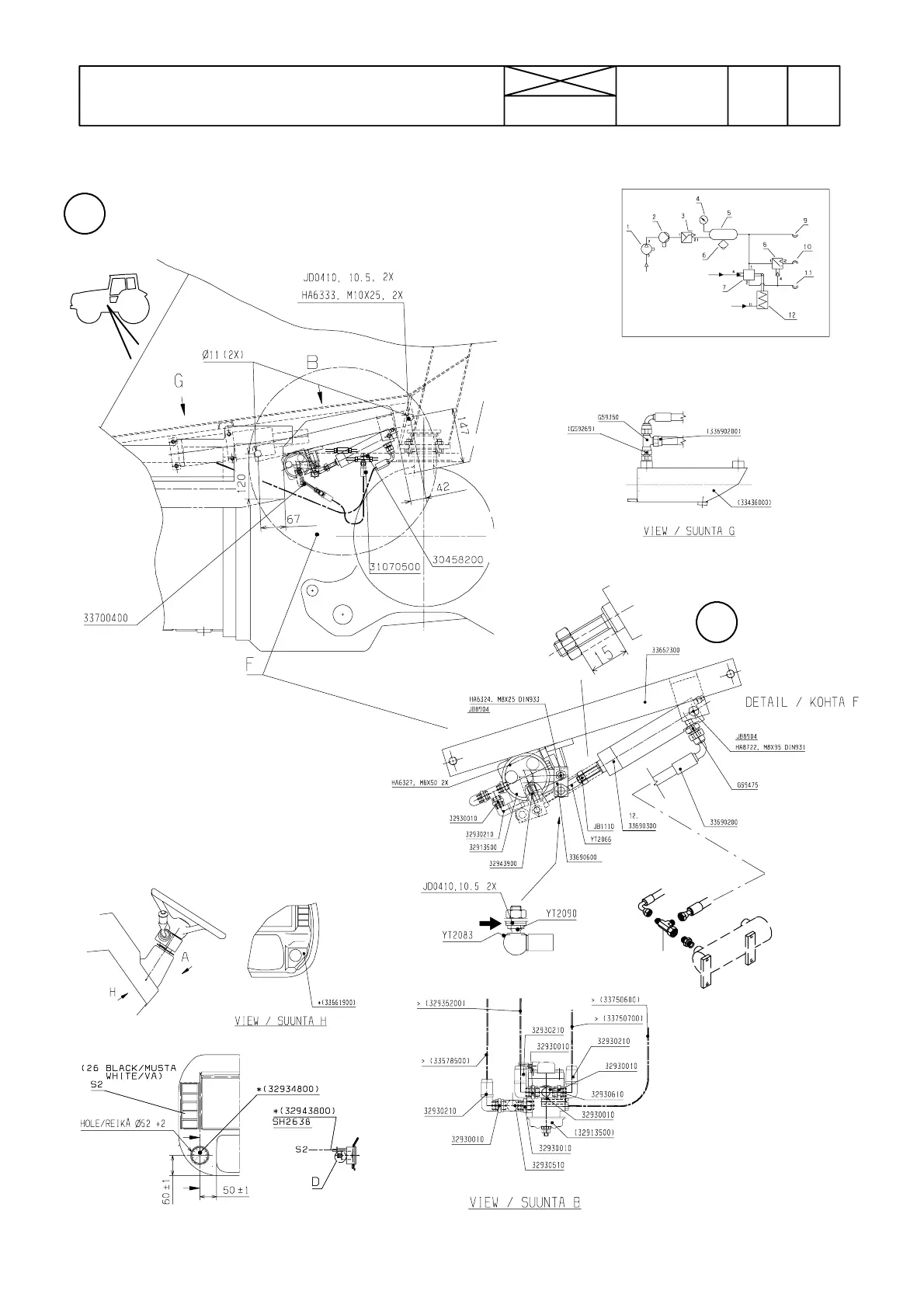
AIR PRESSURE BRAKES FOR TRAILER,
(24)
6000---8950Hi
13
fitting instruction
HiTech:
B.1
B.2
50

Table of Contents