EasyManua.ls Logo

WEG CFW500 - Page 12

WEG CFW500
185 pages
Print Icon
To Next Page IconTo Next Page
To Next Page IconTo Next Page
To Previous Page IconTo Previous Page
To Previous Page IconTo Previous Page
Loading...
CFW500 | 7
General Information
English
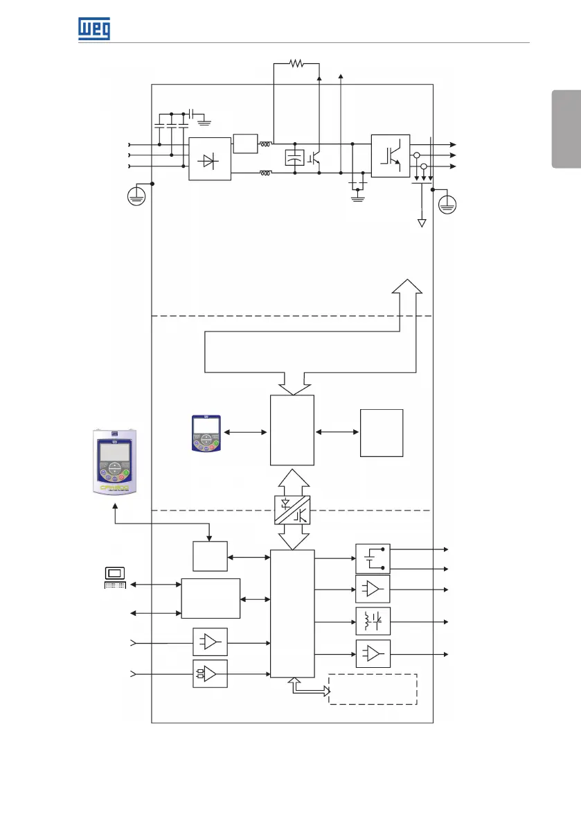
Analog input
(AI1)
(*)
Digital inputs
(DI1 to DI4)
(*)
Supplies for electronics and interfaces between
power and control
RS485
Power
Brake resistor (optional)
Motor
U/T1
V/T2
W/T3
Inverter
with IGBT
transistors
Power
supply
R/L1/L
S/L2/N
T/L3
Capacitor bank DC Link
Braking IGBT (available in the
inverters CFW500...DB...)
HMI
CPU
32 bits
"RISC"
EEPROM
(memory)
User’s
plug-in
card
Interfaces
(RS232,
RS485
or USB)
Analog output (AO1)
(*)
Power supply 24 V
Power supply 10 V
Digital output DO1 (RL1)
Digital output DO2 (TR)
(*)
HMI (remote)
Feedback:
- voltage
- current
PE
PE
Memory card (MCard)
Accessory
Control
Control
Standard plug-in
= Human-machine interface
Preload
Three-phase
rectifier
MODBUS
Software WLP
SUPERDRIVE
(*)
PC
= connection for DC link
= connection for brake resistor
+UD BR -UD
DC Link chokes
RFI filter
(*) The number of analog/digital inputs/outputs, as well as other resources, may vary according to the plug-in module used. For further information,
refer to the guide supplied with the accessory.
Figure 2.3: Block diagram of CFW500 for frame size F

Table of Contents

Other manuals for WEG CFW500

Related product manuals