EasyManua.ls Logo

Wieland SP-SDIO - Internal Circuits

Default Icon
110 pages
Print Icon
To Next Page IconTo Next Page
To Next Page IconTo Next Page
To Previous Page IconTo Previous Page
To Previous Page IconTo Previous Page
Loading...
Product description
Wieland Electric GmbH | BA000966 | 07/2016 (Rev. C)
35
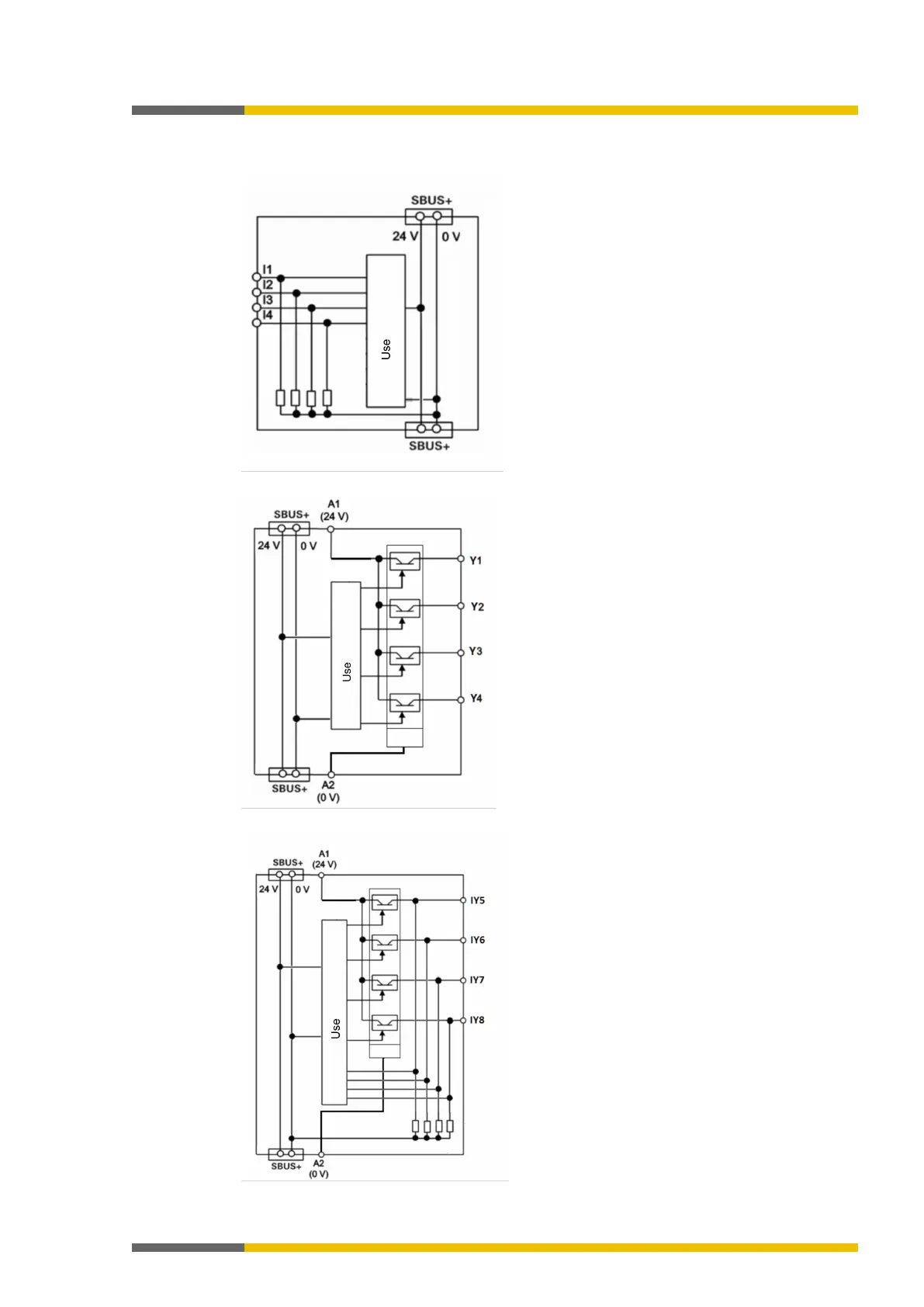
Internal circuits
1126341003
Illustration 17: Internal switching circuit of the SP-DIO: non-secure inputs
Illustration 18: Internal switching circuit of the SP-DIO: non-secure outputs
Illustration 19: Internal switching circuit of the SP-DIO: non-secure inputs/outputs combination
3.10.3

Table of Contents

Related product manuals