EasyManua.ls Logo

Wieland SP-SDIO - Internal Circuits

Default Icon
110 pages
Print Icon
To Next Page IconTo Next Page
To Next Page IconTo Next Page
To Previous Page IconTo Previous Page
To Previous Page IconTo Previous Page
Loading...
Product description
Wieland Electric GmbH | BA000966 | 07/2016 (Rev. C)
23
Internal circuits
888365195
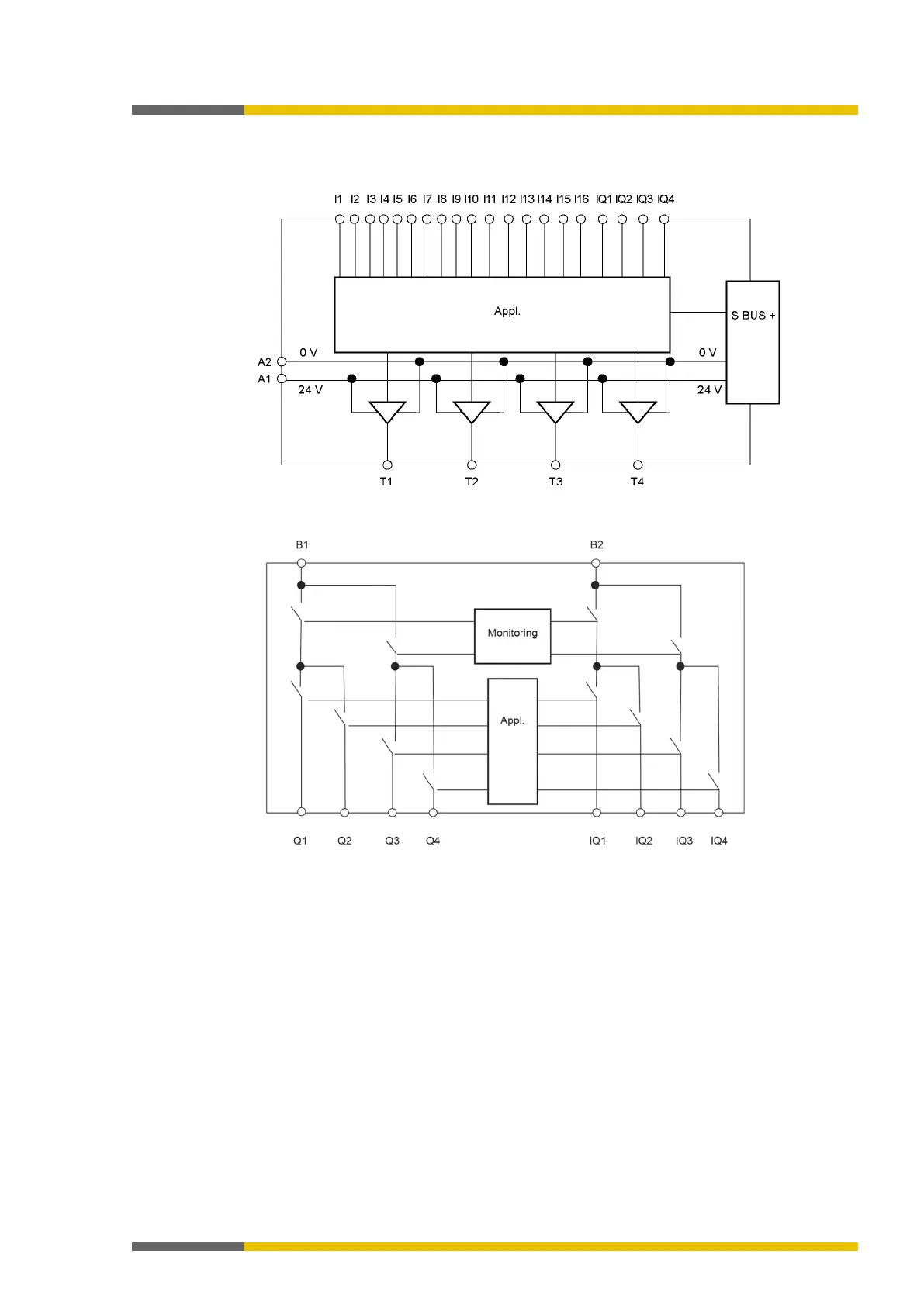
Illustration 8: Inputs and test pulses at an SP-COP2-EN module
Illustration 9: Outputs at an SP-COP2-EN module
3.5.3

Table of Contents

Related product manuals