EasyManua.ls Logo

Wieland SP-SDIO - Internal Wiring of Supply Voltage

Default Icon
110 pages
Print Icon
To Next Page IconTo Next Page
To Next Page IconTo Next Page
To Previous Page IconTo Previous Page
To Previous Page IconTo Previous Page
Loading...
Electrical installation
Wieland Electric GmbH | BA000966 | 07/2016 (Rev. C)
59
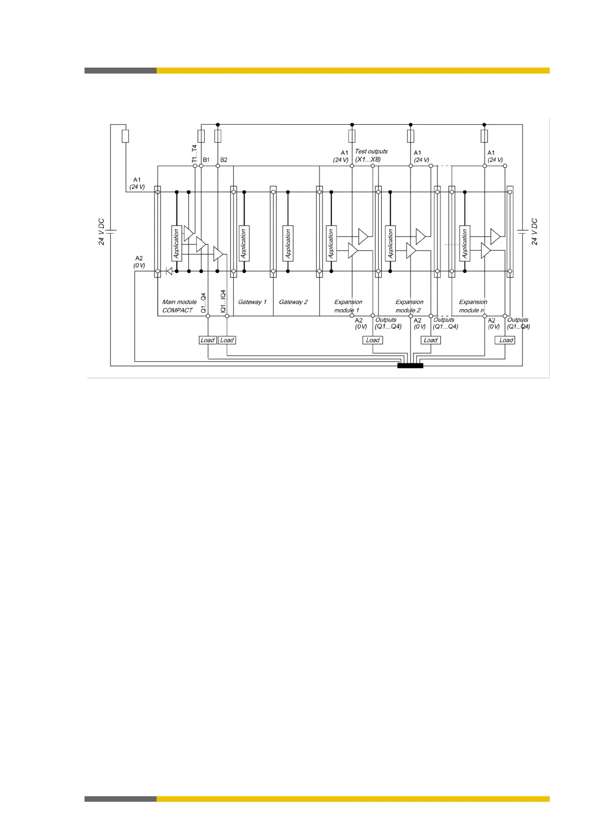
Internal wiring of the supply voltage
888525579
Illustration 24: Internal wiring of the samosPRO supply voltage
7.2

Table of Contents

Related product manuals