EasyManua.ls Logo

Xerox WORKCENTRE PE 220 - Wd 19 Hvps (3;3)

Xerox WORKCENTRE PE 220
192 pages
To Next Page IconTo Next Page
To Next Page IconTo Next Page
To Previous Page IconTo Previous Page
To Previous Page IconTo Previous Page
Loading...
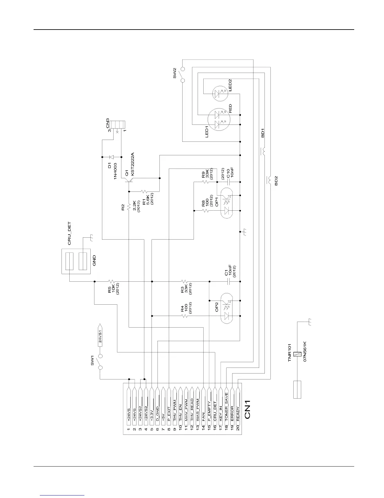
Wiring Diagrams
Workcentre PE 220 11/05 7-21
WD 19 HVPS (3/3)

Table of Contents

Related product manuals